汽车电器电路识图技巧大全,详细教程
汽车上各种电子电器装置繁多,电路密集、纵横交错,如果不从电路原理图上掌握其连线规律,诊断电路故障就比较困难。要修好汽车电器设备,必须读懂和掌握汽车电路图。尤其是初学者,更要学会如何读汽车电路图。各类汽车电路图的识别通常有以下识图要领。
认真读几遍图注
汽车电路图上的图注说明了该汽车所有电器设备的名称及其数码代号,通过读图注可以初步了解该汽车都装配了哪些电器设备。然后通过电器设备的数码代号在电路图中找到该电器设备,再进一步找出相互连接线、控制关系。这样就可以了解该汽车电路的特点及基本的配置电器设备。
牢记电器图形符号
汽车电路图是利用各种电器图形符号来表示其构成和工作原理的。因此,必须牢记电器图形符号的含义,才能看懂电路原理图。对于汽车电器线路图,由于线路中零部件或元器件多以其外形轮廓的示意形状表示,因此,对于这些外形轮廓的形状也应熟记。
熟记电路标记符号
为了便于绘制和识读汽车电器电路图,有些电器装置或其接线柱上都赋予不同的标志代号,如表1-46中所列。
表1-46 电器装置或其接线柱上赋予不同的标志代号举例
(1)点火开关的接线柱标记
在汽车电路图上,不同类型、不同品牌的车辆,其点火开关的接线柱上的标记也不一样,较常见的标记归纳起来如表1-47中所列。
表1-47 汽车电路图上点火开关的接线柱上较常见的标记
(2)国产汽车交流发电机电子电压调节器接线柱上的标记
电子电压调节器的引脚不多,但如搞不清其接线柱上的标记功能,在识图时往往无法对其进行分析,也会影响故障检测、修理和代换。
国产汽车上常用的电子电压调节器大多为三个接线端,这三个接线端的标记及其含义如表1-48中所列。
表1-48 国产汽车上常用的电子电压调节器三个接线端的标记及其含义
表1-48
对于超过三只引脚的电子电压调节器的识别,可先找出上述三只主要引脚,然后再通过观察它与其他电器的连接情况来确定,一般有如表1-49中所列的规律。
表1-49 国产汽车上常用的电子电压调节器其他接线端的标记及其含义
(3)日本汽车交流发电机电子电压调节器接线柱上的标记
日本各公司生产的集成电路电压调节器有两种不同的接线方式,这两种接线方式电子电压调节器接线柱上的标记方式识别方法如下。
①采用交流发电机电压检测法的调节器 日本各公司采用交流发电机电压检测法的调节器接线端的常用标记如表1-50中所列。
表1-50 日本各公司采用交流发电机电压检测法的调节器接线端的常用标记
②采用蓄电池电压检测法的调节器 日本各公司采用蓄电池电压检测法的调节器接线端的常用标记如表1-50中所列。
(4)英国汽车交流发电机电子电压调节器接线柱上的标记
英国汽车交流发电机使用的集成电路电子电压调节器接线端的常用标记如表1-51中所列。
表1-51 英国汽车交流发电机使用的集成电路电子电压调节器接线端的常用标记
(5)俄罗斯汽车交流发电机电子电压调节器接线柱上的标记
俄罗斯汽车交流发电机使用的集成电路电子电压调节器接线端的常用标记如表1-52中所列。
表1-52 俄罗斯汽车交流发电机使用的集成电路电子电压调节器接线端的常用标记
(6)德国博世、法国汽车交流发电机电子电压调节器接线柱上的标记
德国博世(BOSCH)、法国汽车交流发电机电子电压调节器接线柱上的标记方法十分类似。前者生产的集成电路电子电压调节器的型号前缀通常采用“EE”来表示,例如,EE14V表示为集成电路14V系列调节器;EE28V表示为集成电路28V系列调节器。
德国博世(BOSCH)、法国汽车交流发电机电子电压调节器接线柱上的常用标记如表1-53中所列。
表1-53 德国博世(BOSCH)、法国汽车交流发电机电子电压调节器接线柱上的常用标记
牢记回路原则
在汽车电路中,任何一个完整的电路都是由电源、熔断器、开关、用电设备、导线等组成的。电流流向必须从电源正极出发,经过熔断器、开关、导线等到达用电设备,再经过导线(或搭铁)回到电源负极,才能构成回路。这样的电路才是正确的,否则就是读错了或查错了。具体方法如下:可以沿着电路电流的流向,由电源的正极出发,“顺藤摸瓜”查到用电设备、开关等,回到电源负极。也可逆着电路电流的方向,由电源负极(搭铁)开始,经过用电设备、开关等回到电源正极,尤其是查寻一些不熟悉的电路,后者方法比前者更为方便。
牢记搭铁极性
我国和世界各国都规定了汽车电器电路为负极搭铁。过去曾经有采用正极搭铁的汽车,但这类车型已很旧,现在已很少见到。
掌握各种开关在电路中的作用
对多层、多挡位接线柱的开关,要按层、按挡位、按接线柱逐级分析其各层各挡的功能。有的用电设备受两个以上单挡开关(或继电器)的控制,有的受两个以上多挡开关的控制,其工作状态比较复杂。当开关接线柱较多时,首先抓住从电源来的一两个接线柱,逐个分析与其他各接线柱相连接的用电设备处于何种挡位,从而从中找出控制关系。
对于组合开关,实际物体是在一起的,但在电路图中为了使图线简单、明了,往往按其功能分别画在各自的局部电路中,遇到这种情况必须仔细研究识读,可以从其标记代号上加以识别。
掌握开关、继电器的初始状态
在汽车电路图中,各种开关、继电器都是按初始状态画出的,即按钮没有按下、开关未接通,继电器线圈没有通电,其触点未闭合(指常开触点)或没有打开(指常闭触点),这种状态称为原始状态。
(1)按开关的工作状态进行分析
但在识读汽车电路图时,往往不能完全按原始状态分析,否则很难理解电路的工作原理,因为大多数用电设备都是通过开关、按钮、继电器触点的变化而改变回路,进而实现不同的电路功能。所以,必须按开关的工作状态进行分析。例如,刮水器就是通过刮水开关挡位的变化来实现间歇、低速、高速刮水功能的,必须把三种工作状态的电压走向读通,这对于理解工作原理、轻松读懂电路有很大的帮助。
(2)多挡开关的识读方法
汽车大多数用电器或电子设备都是通过开关(包括电子开关)或继电器的不同状态而形成回路,或改变回路实现不同的功能的。对于采用组合开关的电路,还应注意蓄电池(或发电机)电流是通过什么路径到达这个开关的,中间是否经过其他开并或熔断器,火线接在开关的哪个接线柱上;多挡开关共有几个挡位,开关内部有几个同时或分别动作的触点,在每一挡位各接通或关断哪些电器;组合开关由哪些开关或按钮组合而成,各通过哪些触点接通电路或改变回路等。
对于组合开关,在线路图中是画在一起的,而在电路图中又按其功能画在各自的局部电路中,遇到这种情况必须仔细研究识读。
(3)识读开关应特别关注的部位
开关是控制汽车电气电路通断的关键,一个主开关上往往汇集许多导线,所以在分析电路时应特别关注:蓄电池(或发电机)的电流是通过什么路径到达这个开关的,这个开关是手动的还是电控的,中间是否还经过其他的开关和熔断器;开关的许多接线柱中,哪些是直通电源的,哪些又是接用电器的,而接线柱旁是否有接线符号,这些文字符号是否常见;开关都有几个挡位,每一挡哪些接线柱是常有电的,哪些是无电的;这个开关能控制哪些用电器,受控电器有什么作用。在受控用电器中,哪些应是经常接通的,哪些只是短暂接通的,其中包括哪些用电器应先接通,哪些是后接通的,哪些又是单独工作的,哪些又是同时工作的,哪些电器不允许同时接通进行工作。
掌握电器装置在电路图中的位置
在汽车电子电器系统中,有大量的电器装置是机电合一的,如各种继电器,还有多层多挡组合开关。这些电器装置在电路图上表示时,厂家为了使画法既简单(便于画图)又便于识图,多根据实际情况采用集中表示法或分开表示法来反映电路的连接情况。
(1)集中表示法
集中表示法就是把一个电器装置的各组成部分,在图上集中绘制的一种方法。此法仅适用较简单的电路。
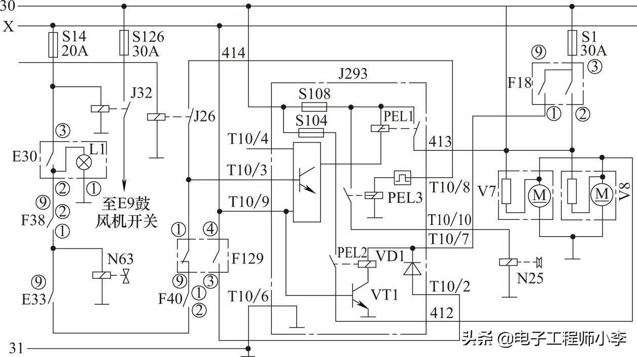
例如,图1-9为桑塔纳2000GSi轿车空调控制系统电路。在该图中,空调控制器J293就采用集中表示法,它将三只不同作用的继电器集中画在一起,用虚线框围起来表示是一个组件。这三只继电器的作用及受控过程如下。
图1-9 桑塔纳2000GSi轿车空调控制系统电路示意图
E30—空调开关(A/C开关);E33—蒸发器温度控制开关;F18—散热器风扇温度控制开关;F38—环境温度开关;F40—空调器水温控制开关;F129—高、低压开关;J26—压缩机切断继电器;J32—空调器继电器;J293—空调控制器;L1—空调指示灯;N25—压缩机电磁离合器;N63—进风门电磁阀;PEL1—继电器1;PEL2—继电器2;PEL3—继电器3;S1—散热器风扇熔断器;S14—空调开关及空调继电器熔断器;S104—散热风扇高速挡熔断器;S108—散热风扇低速挡熔断器;S126—鼓风机熔断器;V7,V8—散热器风扇电动机(左、右)
①空调指示灯L1电路 电流路径为:X电源线→空调熔断器S14→空调开关E30→空调指示灯L1→搭铁。
②进风门电磁阀N63电路 电流路径为:X电源线→空调熔断器S14→空调开关E30→环境温度开关F38→进风门电磁阀N63→搭铁。
③N25与V7、V8电路 当发动机工作时,发动机电控单元ECU(J220)的T80/8端子输出的高电平,使压缩机切断继电器J26吸合,其电流通路为:X电源线→空调熔断器S14→空调开关E30→环境温度开关F38→蒸发器温度控制开关E33→空调水温控制开关F40→高、低压开关F129(①、②端子)→压缩机切断继电器J26→空调控制器J293的T10/8端子和PEL3继电器的线圈→搭铁,使PEL3触点闭合,电流从30号电源线经散热器风扇低速挡熔断器S108、PEL3触点、压缩机电磁离合器N25后搭铁。
同时,空调控制器J293内的PEL1继电器工作,接通了左、右散热器风扇电动机V7、V8电路(通过电阻),使左、右散热器风扇低速运行,制冷系统工作。
④高、低压及其他保护 若系统压力高于1.45MPa,高、低压开关F129(③、④端子)则闭合,电流路径为:X电源线→F129③端子与④端子→VD1二极管→空调控制器J293内的PEL2继电器和晶体管VT1→搭铁。
上述电流通路使PEL2触点闭合,通过30号电源线、散热器风扇高速挡熔断器S104、PEL2触点向V7、V8供电,使散热器风扇高速运转。
当发动机电控单元ECU(J220)有故障或急加速工况时,发动机电控单元ECU的T80/8端子输出低电平。使压缩机切断继电器J26不工作,也就切断了空调控制器内PEL3继电器线圈的供电,从而使压缩机停止工作。
(2)分开表示法
随着汽车电器电路日趋复杂,一个电器装置由较多的组成部分(如组合开关等),若集中画在一起,则容易引起线条往返和交叉线过多,造成识图和用图困难。再如继电器线圈、触点,有时绘制在一起也容易引起线条往返和交叉线过多,造成识图困难。这时多采用分开表示法,即把继电器的线圈、触点分别画在不同的电路中,如图1-10所示是神龙富康ZX系列轿车水温控制电路,用同一文字符号或数字符号将分开部分联系起来。
在图1-10电路中,由水温传感器1,水温电子控制器2和3个风扇控制继电器KAJ1-1、KAJ1-2、KAJ1-3及2个风扇电动机构成了该系列轿车的冷却散热系统。在该系统中,KAJ1-1~KAJ1-3是一只组件内封装的三个继电器,它们分开画在不同的控制电路中,用KAJ1来将它们联系起来属同一个继电器,而用KAJ1-1表示是KAJ1继电器中的第1个继电器,用KAJ1-2表示是KAJ1继电器中的第2个继电器,用KAJ1-3表示是KAJ1继电器中的第3个继电器。
图1-10 神龙富康ZX系列轿车水温控制电路
通过局部电路及其连接关系识读整车电路
在读懂局部电路的工作原理基础上,再通过各局部电路中的连接关系,尤其是电源电路的连接关系,也可以弄清楚整车电路的工作原理。
浏览全图,框画各个系统
要读懂汽车电路图,首先必须掌握组成电路的各个电器元件的功能和电器特性。根据电路图上的电气图形符号及文字符号,首先对全车电气设备的概况作全面的了解。在大概掌握全图的基本原理的基础上,再把一个个单独的电器系统(即局部电路,或称为单元电路)框画出来(或单独画出来),这样就容易抓住每一部分的主要功能及特性。这样做的优点有以下两方面。
(1)发现特点
在同一局部(单元)电路中,各电气设备间的联系比较紧密,而与其他局部(单元)电路的联系较松散,通过这种框画以后,就比较容易发现其特点,便于进行工作原理的分析和确定故障的可能范围。
(2)发现异同
许多汽车的某些局部(单元)电路是相同或大同小异的,这样只要略作比较,便可知道其异同,从而可以举一反三。
在框画各个系统时,应注意既不能漏掉各个系统中的组件,也不能多框画其他系统的组件,一定要遵守回路原则,其一般规律是:各电器系统只有电源和总开关是公共的,其他任何一个系统都应是一个完整的独立的电器回路,即包括电源、开关(保险)、电器(或电子线路)、导线等,并从电源的正极经导线、开关、熔断器至电器后搭铁,最后回到电源负极,否则所框画出的系统(单元电路)图就不正确。
在看电路图时,应先找出电源部分,然后从电源火线到熔断器、开关,再往下找到用电设备,最后找搭铁点。
熟记各局部电路之间的相互关系
如上所述,汽车全车电路基本上由电源电路、充电电路、启动电路、点火电路、照明电路、辅助电器设备电路等单元电路组成。从整车电路来讲,各单元(局部)电路除电源电路公用外,其他单元电路都是相对独立的,但它们之间也存在着内在联系和相互影响。因此,识图时,不但要熟悉各局部电路的组成、特点、工作过程和电流流经的路径,还要了解各局部电路之间的联系和相互影响。这是掌握汽车电路的一个重要环节,也是实现准确判断和迅速找出故障部位、排除故障的必要条件。
识读汽车电路图时应顺着电流流向看图
任何汽车电路都应是一个完整的电路回路,其中包括电源、开关(或熔器)、电器(或电子线路)、导线和连接器等,并从电源正极经导线、开关(或熔断器)至用电器后接地,回到同一电源的负极,这样的电路才是正确的,否则那就是读错了或查错了回路。这个简单而重要的原则无论在读什么电路图时都是必须遵守的。
具体来讲,读看汽车电路图时应注意,电流一定要能构成闭合回路;电源线有交点时,此处有并联支路;查看开关时,注意其不同挡位的通断以及各输出导线的走向;各系统电源线起点是不同的,如信号系统从点火开关得到电源,而照明系统一般从照明开关开始读图。在识读图时,还应找出各个系统的电源线,顺着电流的走(流)向找出该单元的控制开关和用电设备,最后到公共接地线为止。当然也可逆着电路电流的方向,从电源负极(接地)开始,经过用电设备、开关等回到电源正极。尤其是查寻一些不太熟悉的电路,而后者比前者更为方便。
熟悉线束色标的规律
在通常情况下,汽车上导线用什么颜色,在电路图上就用相应的字母或标记标注什么颜色,二者一一对应。导线的颜色通常在应用时也有一定的规律,如红色线大多为控制火线,棕色或黑色为搭铁线,白、黄色线用于控制灯,蓝色线大多用于指示灯或传感器,绿、红/黑或绿/黑线多用于脉冲式的用电器等。各国汽车用导线的情况不是太一样,这些内容在上面已介绍过,不再重述。
对于大众系列车型来说,通常火线代号为30,搭铁线的代号为31,受控制的大容量用电设备供电线的代号为X,受控制的小容量用电设备供电线的代号为15。
以上这些典型的特征,在电路图里或电器零件上到处可见,掌握了这些特征,对识图很有帮助,也会使维修效率提高。
先易后难各个击破
有些汽车电路图的某些局部电路可能比较复杂,一时难以看懂,可以暂时将其放一放,待其他局部电路都看懂后,结合看懂图中与该电路联系的有关信息,再来进一步识读这部分电路。
解剖典型电路,以便于触类旁通
尽管目前市场上的汽车品种型号繁多,对于同一类型、同一系列、同一品牌的汽车来说,很多车型的许多局部电路都是相同或相近的;有些同一品牌、同一系列的局部电路甚至连标记代号都是相同的。因此,通过解剖某些有代表性的典型电路,掌握其接线特点和原则,就可以了解到许多其他类似车型的电路,以此来达到触类旁通的目的。
要善于请教和查找资料
新的汽车电器设备不断地出现和应用在汽车上,汽车电路图的变化很大。对于看不懂的电路要善于请教有关人员,同时还要善于查找资料,直至看懂或弄明白。
了解电子控制系统电路接线的特点
随着现代汽车电子技术的进步和飞速发展,电子控制装置逐渐增多,其电路也更为复杂化,因此应注意以下几点。
(1)了解电子控制装置的功能
首先要了解电子控制装置的功能,它控制哪些元器件、控制哪些物理量,有些ECU是控制点火系统的,有的是控制燃油喷射的,有些是控制自动变速器的,还有控制ABS的……
(2)掌握各种主要元件的名称、安装部位、功用、结构原理
①掌握各种传感器的名称、安装部位、功用、结构原理及主要技术参数。例如断电状态下的阻值,通电状态下的电位高低、电流值等,以及各种传感器的信号电压是模拟量、脉冲量还是开关量;
②掌握各种执行器的名称、安装部分、功用、结构原理及主要技术参数指标。
(3)找到ECU的位置与功能作用、连接特点
①找到ECU、各传感器、各执行器在车上的安装位置,区别插接器及其端子的排列序号、区别各元器件的外形特征。
②了解ECU内部主要功能块的作用,掌握各传感器,执行器之间的接线端子序号、字母代号,各端子之间的正常电压或阻值。
③ECU控制电路必须受点火开关控制,ECU工作一般有开环与闭环两种模式控制。
④ECU必须有各种传感器随时输入工况信号,且具有自诊断功能。
了解电控汽车元器件的各种别称
我国市场上的汽车品种很多,既有国产品、合资品,也有进口品,尤其是后者在外文翻译成中文的过程中,会出现不规范的叫法,也就是“别称”。例如,同一种电器元器件,在不同国家的电路图、不同书刊、不同的文章,甚至同一篇文章前后的叫法也不一样,这就给读图带来了一定的困难,尤其是初学者,应该熟悉汽车电路图中常用零部件或元器件的各种别称,以便于轻松读懂各类车辆的电路图。表1-54中列出了电控车辆常用零部件或元器件等的各种别称,共识图时参考。
表1-54 电控车辆常用零部件或元器件的各种别称
续表
正确掌握识读汽车电路图的方法与步骤
要轻松识读和读懂汽车全车电气电路图及总线路,可以参考下列方法与步骤进行。
①对该车所使用的电气设备结构、原理有一定了解,知道它们的规格标准、编号、导线色码及其走向。
②认真识读线路图,了解全车所用电气设备的名称、数量和实际安装位置,设备所用的接线柱数量、名称、插接器形式和数量等。
③识读电气原理图应了解主要电气设备的各接线柱和哪些电气设备的接线柱相连;该设备的分线走向;分线路上开关、熔断器、继电器的作用;控制方式和工作基本过程。
④识读线束图应了解该车有多少束线束,各线束名称及在汽车上的安装位置;每一线束的枝叉通向哪个电气设备,每一分枝叉有几根导线及它们的颜色和标号,连接在哪些接线柱上;该车有哪些插接器以及它们之间连接情况。
⑤识读电气元件图应了解各用电器元件的接线柱极性,如蓄电池及仪表,有的元件是不能接错的,应特别注意。
⑥汽车电气电路中有许多部分是类似的,都是性质相同或基本相同的回路,不同的只有个别情形,所以识读图要抓住典型电路,触类旁通。
识读汽车电路图要领总结
综上所述,识读汽车电路图时,如果不从电路原理上掌握其连线规律,诊断线路故障就比较困难。不过,掌握以上这些识图的基本知识,只是为识读电路图打下一定的基础,要实现快速、准确地找出汽车电路中的故障,还需要不断地学习与实践。只有这样,在对汽车电气系统进行故障诊断时,才可以真正做到按图索骥,达到事半功倍的效果。
汽车电工应知应会的一些技能:汽车电子和电路知识
01
二极管有什么特性?怎么识别?
二极管的特性: 二极管在电路中常用“D”加数字表示,如D5 表示编号为5 的二极管。二极管的主要特性是单向导电性,也就是在正向电压的作用下,导通电阻很小;而在反向电压的作用下导通电阻极大或无穷大。
二极管的识别: 根据二极管的特性,汽车电路中常把它用在整流、隔离、稳压、极性保护、编码控制、调频调制和降噪等电路中。汽车电路中使用的二极管按作用可分为整流二极管、隔离二极管、发光二极管、稳压二极管等。
小功率二极管的识别其实很简单,如下所示:
(1) 观察外壳上的符号标记,通常在二极管的外壳上标有二极管的符号,带有三角形箭头的一端为正极;另一端是负极。
(2) 观察外壳上的色点,在点接触二极管的外壳上,通常标有极性色点(白色或红色),一般标有色点的一端即为正极,还有的二极管上标有色环,带色环的一端则为负极。
(3) 有些二极管也用二极管专用符号来表示P 极(正极)或N 极(负极),也有采用符号标志为“P”“N”来确定二极管极性的。
(4) 发光二极管的正负极可从引脚长短来识别,长脚为正极,短脚为负极。
(5) 以电阻较小的一次测量为准,黑表笔所接的一端为正极,红表笔所接的一端则为负极。稳压二极管在电路中常用“ZD”加数字表示,如ZD5 表示编号为5 的稳压二极管。稳压二极管的特点就是击穿后,其两端的电压基本保持不变。这样,当把稳压二极管接入电路以后,如果由于电源电压发生波动,或其他原因造成电路中各点电压变动时,稳压二极管两端的电压将基本保持不变。稳压二极管的故障主要表现在开路、短路和稳压值不稳定。在这三种故障中,前一种故障表现出电源电压升高;后两种故障表现为电源电压变到0 或输出不稳定。
02
什么是通路、断路、短路?
通路: 也叫回路,是指从电源的一端沿着导线经过负载最终回到电源另一端的闭合电路。
断路: 也叫开路,断开开关,电源构不成回路,此时电路中的电流为零。
短路: 负载被导线直接短接或负载内部击穿损坏,电荷没有经过负载,直接从正极到达负极,此时流过电路的电流很大。
03
继电器的基本原理、作用、类型
基本原理:
继电器具有控制系统(输入回路)和被控制系统(输出回路),通常应用于自动控制电路中。
继电器是一种当输入量(电、磁、声、光、热)达到一定值时,输出量将发生跳跃式变化的电子自动控制器件。
继电器实际上是用较小的电流去控制较大电流的一种“自动开关”,所以在电路中起着自动调节、安全保护、转换电路等作用。
作用:
(1)扩大控制范围 例如,多触点继电器控制信号达到某一定值时,可以按触点组的不同形式,同时换接、断开、接通多路电路。
(2)放大 例如,灵敏型继电器、中间继电器等,用一个很微小的控制量,可以控制很大功率的电路。
(3)综合信号控制 例如,当多个控制信号按规定的形式输入多绕组继电器时,经过比较综合,达到预定的控制效果。
(4)自动、遥控、监测 例如,自动装置上的继电器与其他电器一起,可以组成程序控制线路,从而实现自动化运行。
类型:
继电器有很多种,汽车上最常用的是电磁继电器。
(1)按工作原理 按工作原理分类有电磁继电器、热继电器、固态继电器、电子混合式继电器等。
电磁继电器是使用最早、应用最广泛的一种继电器。电磁继电器一般由铁芯、线圈、衔铁、触点、簧片、引线等组成。
(2)按负载大小 按负载大小可分为微功率继电器、弱功率继电器、中功率继电器、大功率继电器等。
(3)按外形尺寸 按外形尺寸可分为超微型继电器、微型继电器、小型继电器等。
(4)按防护形式 按防护形式可分为密封继电器、封闭继电器、开放继电器等。
04
什么是总线端30、R、15、31 ?
什么是总线端30:
车辆中的所有用电器始终通过接地点(导电车身部件)与车辆蓄电池负极接线柱连接,车辆中的部分用电器也始终与车辆蓄电池的正极接线柱连接,这种电路只能通过开关或继电器断开。
在车辆电气车载网络中,永久带有蓄电池电压的总线端称为总线端30(也称B+ 或永久正极)。安装并连接蓄电池后,导线束的这个分支在关闭点火开关并拔下点火钥匙后仍然保持供电状态。总线端30 负责为停车后仍需正常运行或只为保存数据而需要用电的控制单元和总成供电。例如,闪烁警告装置开关就是通过总线端30 供电的。
总线端R :
只有将点火钥匙插入点火开关并转到第一个卡止位置后,一部分用电器才能通过点火开关与蓄电池正极连接并得到供电。在这种情况下点火开关相当于一个开关,这个总线端称为总线端R。
例如,如果车载收音机通过总线端30(永久正极)连接时,则拔下点火钥匙后仍可以正常工作。如果收音机通过总线端R 连接,则只有总线端R 接通后收音机才能运行。除收音机外,安全系统(MRS、ACSM)也通过这个总线端供电。
总线端15 :
点火钥匙转到第二个卡止位置时,则启用总线端15(也称为接通的正极,点火正极)。其他控制单元和电气组件也通过总线端15 供电,例如空调系统和驻车辅助系统(PDC)通过总线端15 接通。总线端R 和总线端15 由CAS 控制单元控制。
什么是总线端31 :
由于所有用电器都连入一个电路内,因此除电源B+ 外该电路还需要必要的接地连接。通过一根单独的接地导线和车身钢板连接蓄电池的负极接线柱,这种连接也称作总线端31(接地)。
05
汽车中哪些装置产生DC、AC....信号?
DC信号:
在汽车中产生直流(DC)信号的装置有蓄电池、PCM (提供传感器参考电压)以及各种模拟传感器,如发动机冷却液温度传感器、燃油温度传感器、进气温度传感器、节气门位置传感器、热线式空气流量计、节气门开关以及进气压力传感器等。
AC信号:
在汽车中产生交流(AC)信号的装置有车速传感器(VSS)、防滑制动轮速传感器、磁电式曲轴位置(CKP)传感器和凸轮轴位置(CMP)传感器、 爆震传感器(KS)。
频率调制信号:
在汽车中产生频率调制信号的装置有数字式空气流量计、进气压力传感器、光电式车速传感器 (VSS)、霍尔式车速传感器(VSS)、光电式凸轮轴和曲轴位置(CKP)传感器、霍尔式凸轮轴位置 (CAM)传感器和曲轴位置(CKP)传感器。
脉宽调制信号:
在汽车中产生脉宽调制信号的电路或装置有初级点火线圈、电子点火正时电路、废气再循环控制(EGR)、净化控制、涡轮增压和其他控制电磁阀、喷油嘴、怠速控制机及电磁阀的电路。
串行数据(多路)信号:
如果汽车中具备自诊断能力和其他串行数据传输能力的控制模块,则串行数据是由动力控制模块(PCM)、车身控制模块(BCM)和防滑制动系统(ABS)或其控制模块产生的。
06
什么是电压降、对地短路、对电源短路?
电压降:
■ 闭合电路中的部件或负荷工作时需消耗一定的电压。电压降就是负荷两端消耗的电压,只在有电流时才有电压降。
■ 电压降转换为热或运动。在简单的灯电路中,灯两端的电压降将灯点亮(电压转变为热)。如果还串有其他负荷或灯,各装置上的电压降是成比例的。
■ 电阻最大的负荷电压降最大,串联电路的总电压降等于电源电压。
■ 有时电压降表示电路中出了故障。例如,导线或接插件腐蚀造成的电阻可能消耗原本给负荷用的电压。
■ 最后一个负荷的接地侧的电压应该总是接近零(小于0.1V)。
对地短路:
对地短路是在电路的电源侧和接地侧之间出现了一条不需要的路径。发生这种情况时,由于电流总是要走阻力最小的路径,电流会绕过本应经过的负荷。因为负荷电阻有限制电流的作用,跨过负荷的短路会造成很大的电流。
对电源短路:
对电源短路也是电流有了不希望有的通路。有一条通路绕过开关直接加到负荷上,这样即使没有接通开关,灯泡也点亮。
相关问答
《汽车电工从入门到精通》在线阅读-汽车维修技术网
[回答]qcwx_s2()
如何学习汽车电工基础-汽车维修技术网
[回答]qcwx_s2()
汽车电工电路图识读方法要领-汽车维修技术网
[回答]qcwx_s2()
学习汽车电路知识如何入门?
首先基本的电工知识,交流,直流电路的原理,接线,简单分析,故障处理都要应知应会。其次,因为汽车电器是以低压直流电路为主,所以基础的电子知识也是必须的,...
汽车维修机电工车辆全方位保养流程?
1、发动机油量检查。平面行驶时,油量若在F和L的标线范围内,则属于正常,若低于L,则应添加指定型号机油,加油位不能高于F。2、蓄电池的保养检查。主要检查蓄...
汽车电工入门全程图解pdf电子书籍在线阅读-汽车维修技术网
[回答]qcwx_s2()
汽车电工基础知识?
汽车电工是负责汽车电子系统安装、维护和修理的专业人士。以下是一些汽车电工的基础知识:1.电气系统组成:汽车电气系统包括蓄电池、发电机、启动电机、点火...
学习汽车电工需要掌握什么基础知识?
汽车电工基本技术汽车电工基本技术
如何成为优秀的汽车电工?
汽修技术是个比较复杂的专业,需要许多理论知识,只要经过系统的学习,才能全面掌握;以师带徒形式当然能学到技术,但往往只知其然不知其所以然,永远成不了高档...
对汽车电路一窍不通,应该从何处入手学那?
谢邀。这里从教师的角度来推荐几本书,个人觉得对学习汽车电路的基础知识还是挺有用的。1.《学看汽车电路图》,化学工业出版社2.《汽车电路分析与检测》,电...



