钢中常见显微组织的鉴别
魏式组织、贝氏体(其中又分为上贝氏体、下贝氏体、和粒状贝氏体)、奥氏体、马氏体、回火马氏体、回火托氏体、回火李氏体。现简单介绍一下这些组织的基本形态,以便在实践中加以区别。属bcc结构,呈等轴多边形晶粒分布。铁素体软而韧,硬度为30~100HB。
在碳钢中它是碳在α-Fe中的固溶体;在合金钢中,则是碳和合金元素在
α-Fe中的固溶体。碳在α-Fe中的溶解量很低,在AC1温度,碳的最大溶解量为0.0218%,但随温度下降的溶解度则降至0.0084%,因而在缓冷条件下铁素体晶界处会出现三次渗碳体。随钢中碳含量增加,铁素体量相对减少,珠光体量增加,此时铁素体则是网络状和月牙状。
铁素体500X 轧制电工纯铁
铁素体500X 退火态
渗碳体
是铁和碳的化合物,Fe3C,其含碳量为6.69%,在合金中形成(Fe,M)3C,渗碳体硬而脆,硬度为800HB。在钢中常呈网络状、半网状、片状、针片状和粒状分布。
网状渗碳体200X
从左往右,依次为:
1、针状渗碳体200X 魏氏组织
2、网状、粒状、三次渗碳体500X
3、粒状渗碳体500X
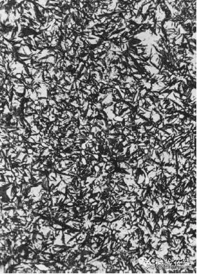
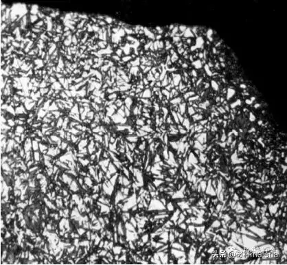
珠光体
珠光体是铁素体和渗碳体的机械混合物,它是钢的共析转变产物,其形态是铁素体和渗碳体彼此相间形如指纹,呈层状排列。按碳化物分布形态又可分为片状珠光体和球状珠光体二种。片状珠光体又可分为粗片状、中片状和细片状三种。
片状珠光体200X
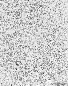
球状珠光体 是经球化退火获得,渗碳体成球粒状分布在铁素体基体上;渗碳体球粒大小,取决于球化退火工艺,特别是冷却速度。球状珠光体可分为粗球状、球状和细球状和点状四种珠光体
球状珠光体500X
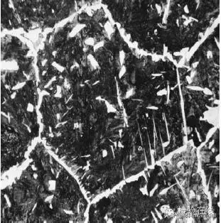
魏氏组织
亚共析钢加热时因过热而形成粗晶,冷却时又快,故铁素体除沿奥氏体晶界成网状析出外,还有一部分铁素体从晶界向晶内按切变机制形成并排成针状独自析出,这种分布形态的组织称为魏氏组织。过热过共析钢冷却时渗碳体也会形
成针状自晶界向晶内延伸而形成魏氏组织。
粗晶魏氏组织200X
粗晶魏氏组织铁素体200X
贝氏体
是钢的奥氏体在珠光体转变区以下,Ms点以上的中温区转变的产物。它也是铁素体与渗碳体两相组织的机械混合物,但形态多变,不像珠光体那样呈层状排列。从形状特征来看,可将贝氏体分为羽毛状、针状和粒状三类。
1、上贝氏体特征是:条状铁素体大体平行排列,其间分布有与铁素体针轴平行的细条状(或细短杆状)渗碳体,呈羽毛状。
羽毛状贝氏体500X
2、下贝氏体呈细针片状,有一定取向,较淬火马氏体易受侵蚀,极似回火马氏体,在光镜下极难区别,在电镜下极易区分;在针状铁素体内沉淀有碳化物,且其排列取向与铁素体片的长轴成55~60度,下贝氏体内不含孪晶,有较多的位错。
下贝氏体、马氏体、残余奥氏体及少量羽毛状马氏体200X
下贝氏体、马氏体、残余奥氏体200X
3、粒状贝氏体:外形相当于多边形的铁素体,内有许多不规则小岛状的组织。
当钢的奥氏体冷至稍高于上贝氏体形成温度时,析出铁素体有一部分碳原子从铁素体并通过铁素体/奥氏体相界迁移到奥氏体内,使奥氏体不均匀富碳,从而使奥氏体向铁素体的转变被抑制。这些奥氏体区域一般型如孤岛,呈粒状或长条状,分布在铁素体基体上,在连续冷却过程中,根据奥氏体的成分及冷却条件,粒贝内的奥氏体可以发生如下几种变化。
(1)可以全部或部分分解为铁素体和碳化物。在电镜下可见到弥散多向分
布的粒状、杆状或小块状碳化物。
(2)可能部分转变为马氏体,在光镜下呈综黄色
(3)仍保持富碳奥氏体
粒状贝氏体200X
空冷贝氏体钢500X(左)& 空冷贝氏体钢200X(右)
奥氏体
在碳钢(或合金钢)中,奥氏体是碳(和合金元素)固溶于γ-Fe的固溶体,具有面心立方结构,它是高温相。在碳素或合金结构钢中奥氏体在冷却过程中转变为其他相。只有在高碳钢和渗碳钢渗碳高温淬火后奥氏体才能残留在马氏体的间隙中存在,不易受侵蚀呈白色。
奥氏体200X
T12钢淬火后残A 500X
20CrMnTi渗碳淬火M+残A+K 400X
马氏体
是碳(合金元素)溶于α-Fe中的过饱和固溶体。是过冷奥氏体快速冷却,在Ms与Mf点之间的切变方式发生转变的产物。
这时碳(和合金元素)来不及扩散只是由γ-Fe的晶格(面心)转变为α-Fe的晶格(体心),即碳在γ-Fe中的固溶体(奥氏体)转变为碳在α-Fe中的固溶体,故马氏体转变是“无扩散”的。
根据马氏体金相形态特征,可分为板条状马氏体(低碳)和针状马氏体。
板条状马氏体, 又称低碳马氏体。其基本特征是:尺寸大致相同的细马氏体条
定向平行排列,组成马氏体束或马氏体领域;在领域与领域之间位向差大,一颗原始奥氏体晶粒内可以形成几个不同取向的领域。
由于板条状马氏体形成的温度较高,在冷却过程中,必然发生自回火现象,在形成的马氏体内部析出碳化物,故它易受侵蚀发暗。
20#钢低碳马氏体630X
低碳马氏体晶粒呈一定角度相交10000X
针状马氏体 :又称片状马氏体或高碳马氏体,它的基本特征是:在一个奥氏体晶粒内形成的第一片马氏体片较粗大,往往贯穿整个晶粒,将奥氏体晶粒加以分割,使以后形成的马氏体大小受到限制,因此片状马氏体的大小不一,分布无规则。针状马氏体按一定方位形成。在马氏体针叶中有一中脊面,碳量越高,越明显,且马氏体也越尖,同时在马氏体间伴有白色残留奥氏体。
粗针状马氏体+残A+颗粒状K 500X
过热粗马氏体+残留奥氏体,粗针马氏体有中脊线和小裂纹1000X
回火马氏体: 马氏体经低温回火后,自马氏体中析出ε-碳化物,是无规则分布,故仍具有马氏体针状特征。仅比淬火马氏体易受侵蚀变暗。
回火屈氏体
淬火马氏体经中温回火产物,其特征是:马氏体针状形态将逐步消失,但仍隐约可见(含铬合金钢,其合金铁素体的再结晶温度较高,故仍保持着针状形态),析出的碳化物细小,在光镜下难以分辨清楚,只有电镜下才可见到碳化物颗粒,他极易受侵蚀而使组织变黑。如果回火温度偏上限或保留时间稍长,则使针叶呈白色;此时碳化物偏聚于针叶边缘,这时钢的硬度稍低,且强度下降。
回火针状屈氏体500X
回火屈氏体,电镜下铁素体基体上分布有细粒状渗碳体20000X
回火索氏体
淬火马氏体经高温回火后的产物。其特征是:索氏体基体上布有细小颗粒状碳化物,在光镜下能分辨清楚。这种组织又称调质组织,它具有良好的强度和韧性的配合。铁素体上的细颗粒状碳化物越是细小,则其硬度和强度稍高,韧性则稍差些;反之,硬度及强度较低,而韧性则高些。
保持马氏体位向布的索氏体500X
保持马氏体位向的回火索氏体15000x,基体铁素体,白色颗粒为碳化物
保持马氏体位向布的回火索氏体500X
浙江省湖州市市场监督管理局食品安全监督抽检信息通告(2024年第13期)
近期,湖州市市场监督管理局组织抽检食用农产品、豆制品、糕点、水果制品、调味品、肉制品、蔬菜制品、炒货食品及坚果制品、粮食加工品、饮料、酒类、淀粉及淀粉制品、方便食品、餐饮食品、食用油、油脂及其制品、冷冻饮品、饼干、蛋制品、薯类和膨化食品、食糖、水产制品、糖果制品、罐头等23类食品438批次样品。根据食品安全国家标准检验和判定:抽样检验合格407批次、不合格31批次。不合格项目涉及农兽药残留超标、违规使用食品添加剂、污染物超标、质量指标不达标问题,具体情况通告如下:
一、污染物超标
吴兴汤水法副食店销售的梅干菜,铅不符合食品安全国家标准规定,检验机构为浙江华才检测技术有限公司。
二、质量指标不达标
(一)吴兴裕茗茶叶店销售的洒香伴花生,过氧化值(以脂肪计)不符合食品安全国家标准规定,检验机构为浙江华才检测技术有限公司;
(二)吴兴董峰副食店销售的脱油花生(香辣味),过氧化值(以脂肪计)不符合食品安全国家标准规定,检验机构为浙江华才检测技术有限公司;
(三)浙江惠客隆贸易有限公司销售的标称安徽顺丰食品有限公司生产的果茶味瓜子,过氧化值(以脂肪计不符合食品安全国家标准规定,检验机构为绿城农科检测技术有限公司。
三、农兽药残留超标
(一)湖州南浔吉麦隆超市虹阳路加盟店销售的鳊鱼(活体),恩诺沙星不符合食品安全国家标准规定,检验机构为浙江方圆检测集团股份有限公司;
(二)湖州新慧农产品配送有限公司销售的大葱,噻虫嗪不符合食品安全国家标准规定,检验机构为浙江华才检测技术有限公司;
(三)新发地农贸市场薛云销售的鳊鱼,恩诺沙星不符合食品安全国家标准规定,检验机构为浙江省检验检疫科学技术研究院;
(四)南浔乔乔水果店销售的A级玉荷包荔枝,氯氟氰菊酯和高效氯氟氰菊酯、除虫脲不符合食品安全国家标准规定,检验机构为浙江方圆检测集团股份有限公司;
(五)南浔绿果水果店销售的桂味荔枝,吡唑醚菌酯不符合食品安全国家标准规定,检验机构为浙江方圆检测集团股份有限公司;
(六)湖州康山街道周氏水果店销售的小台芒,吡唑醚菌酯不符合食品安全国家标准规定,检验机构为绿城农科检测技术有限公司;
(七)湖州康山街道溏沁水果商行(个体工商户)销售的荔枝,吡唑醚菌酯 不符合食品安全国家标准规定,检验机构为绿城农科检测技术有限公司;
(八)安吉天子湖继委副食品店销售的青椒,噻虫胺不符合食品安全国家标准规定,检验机构为绿城农科检测技术有限公司;
(九)安吉杨山蔬菜店销售的线椒,氯氟氰菊酯和高效氯氟氰菊酯不符合食品安全国家标准规定,检验机构为绿城农科检测技术有限公司;
(十)安吉天子湖昌昌蔬菜铺销售的韭菜,氯氟氰菊酯和高效氯氟氰菊酯不符合食品安全国家标准规定,检验机构为绿城农科检测技术有限公司;
(十一)安吉天子湖备凤烟酒商行销售的香蕉,噻虫胺不符合食品安全国家标准规定,检验机构为绿城农科检测技术有限公司;
(十二)安吉天子湖继委副食品店销售的红椒 ,噻虫胺不符合食品安全国家标准规定,检验机构为绿城农科检测技术有限公司;
(十三)湖州杨家埠小姚副食品商店销售的小台芒,吡唑醚菌酯不符合食品安全国家标准规定,检验机构为浙江公正检验中心有限公司;
(十四)长兴太湖威东水果店销售的荔枝,吡唑醚菌酯不符合食品安全国家标准规定,检验机构为浙江九安检测科技有限公司;
(十五)湖州仁皇山街道果薇多水果店销售的荔枝,氯氟氰菊酯和高效氯氟氰菊酯不符合食品安全国家标准规定,检验机构为浙江公正检验中心有限公司;
(十六)湖州仁皇山街道牛油果水果店(个体工商户)销售的桂味荔枝,苯醚甲环唑不符合食品安全国家标准规定,检验机构为浙江公正检验中心有限公司;
(十七)吴兴小葛蔬菜经营部(个体工商户)销售的大葱,噻虫嗪不符合食品安全国家标准规定,检验机构为浙江华才检测技术有限公司。
四、违规使用食品添加剂
(一)湖州滨湖街道金鹤粮油杂货店销售的话梅,甜蜜素(以环己基氨基磺酸计)不符合食品安全国家标准规定,检验机构为浙江公正检验中心有限公司;
(二)吴兴施卫强副食店销售的冬瓜丁(蜜饯),二氧化硫残留量不符合食品安全国家标准规定,检验机构为浙江华才检测技术有限公司;
(三)吴兴泮红梅干货店销售的萧山萝卜干,苯甲酸及其钠盐(以苯甲酸计)不符合食品安全国家标准规定,检验机构为浙江华才检测技术有限公司;
(四)吴兴段先成干货店销售的泡嫩姜(酱腌菜),防腐剂混合使用时各自用量占其最大使用量的比例之和不符合食品安全国家标准规定,检验机构为浙江华才检测技术有限公司;
(五)德清品尚多超市有限公司销售的绿豆糕,柠檬黄不符合食品安全国家标准规定,检验机构为浙江省检验检疫科学技术研究院;
(六)德清武康街道周俊俏副食商行销售的腊肠,诱惑红不符合食品安全国家标准规定,检验机构为浙江省检验检疫科学技术研究院;
(七)湖州市喜发超市有限公司销售的红薯粉丝,柠檬黄、苋菜红、日落黄、亮蓝不符合食品安全国家标准规定,检验机构为浙江省检验检疫科学技术研究院;
(八)湖州康山街道周秦豪食品商行销售的甘草话梅片(蜜饯),柠檬黄不符合食品安全国家标准规定,检验机构为绿城农科检测技术有限公司;
(九)安吉黑鹿便利店销售的标称湖北妙唯可食品有限责任公司生产的绿豆糕,柠檬黄、亮蓝不符合食品安全国家标准规定,检验机构为绿城农科检测技术有限公司;
(十)湖州太湖温泉度假酒店有限责任公司销售的标称南昌市吧旺园食品有限公司生产的绿豆饼,柠檬黄不符合食品安全国家标准规定,检验机构为浙江公正检验中心有限公司。
对抽检中发现的不合格产品,湖州市市场监管局已责成德清县、长兴县、安吉县、吴兴区、南浔区、南太湖新区市场监管部门依法予以查处;督促食品经营环节有关单位立即采取下架等措施控制风险;督促食品生产有关单位查清产品流向、召回不合格产品、分析原因进行整改。以上市场监管部门自通告发布之日起3个月内向湖州市市场监督管理局报告核查处置情况并向社会公布。
特此通告。
附件:1.不合格项目说明-20240821
2.食品抽检不合格-20240821
3.食品抽检合格-20240821
湖州市市场监督管理局
2024年8月21日
1.不合格项目说明-20240821.doc
2.食品抽检不合格-20240821.xls
附件2食品抽检不合格 近期,湖州市市场监督管理局组织抽检食用农产品、豆制品、糕点、水果制品、调味品、肉制品、蔬菜制品、炒货食品及坚果制品、粮食加工品、饮料、酒类、淀粉及淀粉制品、方便食品、餐饮食品、食用油、油脂及其制品、冷冻饮品、饼干、蛋制品、薯类和膨化食品、食糖、水产制品、糖果制品、罐头等23类食品438批次样品。根据食品安全国家标准检验和判定:抽样检验合格407批次、不合格31批次。序号标称生产企业名称标称生产企业地址被抽样单位名称被抽样单位地址食品名称规格型号商标生产日期/批号不合格项目检验机构备注(复检异议情况)1//湖州南浔吉麦隆超市虹阳路加盟店浙江省湖州市南浔区南浔镇东南华府虹阳路589号鳊鱼(活体)//2024-07-12恩诺沙星||232µg/kg||≤100µg/kg浙江方圆检测集团股份有限公司/2//吴兴汤水法副食店湖州市白鱼潭农贸市场梅干菜//2024-06-20铅(以Pb计)║1.79mg/kg║≤0.8mg/kg浙江华才检测技术有限公司/3//湖州新慧农产品配送有限公司浙江省湖州市吴兴区八里店镇农副产品物流集散中心8幢-068号(自主申报)大葱//2024-07-10噻虫嗪║0.418mg/kg║≤0.3mg/kg浙江华才检测技术有限公司/4//吴兴泮红梅干货店浙江省湖州市吴兴区八里店镇惠民街市A6-A7号萧山萝卜干//2024-07-07苯甲酸及其钠盐(以苯甲酸计)║3.10g/kg║≤1.0g/kg浙江华才检测技术有限公司/5//吴兴段先成干货店浙江省湖州市吴兴区八里店惠民街市A8-A11号泡嫩姜(酱腌菜)//2024-07-04防腐剂混合使用时各自用量占其最大使用量的比例之和║1.80║≤1浙江华才检测技术有限公司/6嘉兴优嘉麦宝食品科技有限公司浙江省嘉兴市嘉善县罗星街道阳光西路1518号4幢2层东侧德清品尚多超市有限公司浙江省湖州市德清县武康街道春晖街80号2层绿豆糕散装称重优嘉麦宝和图形2024-05-10柠檬黄║0.00275g/kg║不得使用浙江省检验检疫科学技术研究院/7//德清武康街道周俊俏副食商行浙江省德清县武康街道欧诗漫街84-94号腊肠//2024-06-04诱惑红║0.0184g/kg║不得使用浙江省检验检疫科学技术研究院/8//湖州市喜发超市有限公司浙江省湖州市德清县武康街道泰源商贸中心7幢201室-1红薯粉丝//2024-06-28柠檬黄║0.00166g/kg║不得使用;苋菜红║0.00277g/kg║不得使用;日落黄║0.00291g/kg║不得使用;亮蓝║0.00190g/kg║不得使用浙江省检验检疫科学技术研究院/9//新发地农贸市场薛云德清县武康镇街道新发地农贸市场淡水产交易区摊位鳊鱼//2024-07-10恩诺沙星║497µg/kg║≤100µg/kg浙江省检验检疫科学技术研究院/10//南浔乔乔水果店浙江省湖州市南浔区南浔镇同心路779号东侧两间(自主申报)A级玉荷包荔枝//2024-07-15氯氟氰菊酯和高效氯氟氰菊酯||0.20mg/kg||≤0.1mg/kg;除虫脲||1.84mg/kg||≤0.5mg/kg浙江方圆检测集团股份有限公司/11//南浔绿果水果店浙江省湖州市南浔区湖州市南浔镇适园路947号948号949号桂味荔枝//2024-07-14吡唑醚菌酯||0.65mg/kg||≤0.1mg/kg浙江方圆检测集团股份有限公司/12//吴兴裕茗茶叶店湖州市吴兴区八里店宏进商业广场一楼03号洒香伴花生//2024-07-11过氧化值(以脂肪计)║1.1g/100g║≤0.50g/100g浙江华才检测技术有限公司/13//吴兴董峰副食店浙江省湖州市吴兴区八里店镇紫金桥集镇新老街结合点65号脱油花生(香辣味)//2024-07-07过氧化值(以脂肪计)║0.76g/100g║≤0.50g/100g浙江华才检测技术有限公司/14//吴兴小葛蔬菜经营部(个体工商户)浙江省湖州市吴兴区八里店镇叶堤漾路66号湖州西山智慧综合农贸市场内C38号大葱//2024-07-09噻虫嗪║1.58mg/kg║≤0.3mg/kg浙江华才检测技术有限公司/15//湖州康山街道周氏水果店浙江省湖州市理想城62幢二环南路350、352号小台芒//2024-07-03吡唑醚菌酯||0.312mg/kg||≤0.05mg/kg绿城农科检测技术有限公司/16//湖州康山街道溏沁水果商行(个体工商户)浙江省湖州市理想城61幢二环南路322号荔枝//2024-07-03吡唑醚菌酯||0.39mg/kg||≤0.1mg/kg绿城农科检测技术有限公司/17//湖州康山街道周秦豪食品商行浙江省湖州市星汇半岛商业综合楼兴业路1022-1026号(双号)甘草话梅片(蜜饯)//2024-06-11柠檬黄||0.137g/kg||≤0.1g/kg绿城农科检测技术有限公司/18//安吉天子湖继委副食品店安吉县天子湖镇良朋农贸市场青椒//2024-07-16噻虫胺||0.31mg/kg||≤0.05mg/kg绿城农科检测技术有限公司/19//安吉杨山蔬菜店浙江省湖州市安吉县天子湖镇良朋农贸市场(自主申报)线椒//2024-07-16氯氟氰菊酯和高效氯氟氰菊酯||0.46mg/kg||≤0.2mg/kg绿城农科检测技术有限公司/20//安吉天子湖昌昌蔬菜铺浙江省湖州市安吉县天子湖镇良朋农贸市场韭菜//2024-07-16氯氟氰菊酯和高效氯氟氰菊酯||0.75mg/kg||≤0.5mg/kg绿城农科检测技术有限公司/21//吴兴施卫强副食店湖州市白鱼潭农贸市场冬瓜丁(蜜饯)//2024-07-07二氧化硫残留量║0.863g/kg║≤0.35g/kg浙江华才检测技术有限公司/22//安吉天子湖备凤烟酒商行浙江省湖州市安吉县天子湖镇良朋良泗路535号(自主申报)香蕉//2024-07-16噻虫胺||0.059mg/kg||≤0.02mg/kg绿城农科检测技术有限公司/23//安吉天子湖继委副食品店安吉县天子湖镇良朋农贸市场红椒//2024-07-16噻虫胺||0.090mg/kg||≤0.05mg/kg绿城农科检测技术有限公司/24//湖州杨家埠小姚副食品商店浙江省湖州市安泰路188号小台芒//2024-07-06吡唑醚菌酯||0.27mg/kg||≤0.05mg/kg浙江公正检验中心有限公司/25//长兴太湖威东水果店浙江省湖州市长兴县太湖街道林荫路162号荔枝//2024-07-09吡唑醚菌酯║0.511mg/kg║≤0.1mg/kg浙江九安检测科技有限公司/26//湖州仁皇山街道果薇多水果店浙江省湖州市仁皇山街道天盛花园1幢龙王山路1133号荔枝//2024-07-08氯氟氰菊酯和高效氯氟氰菊酯||0.25mg/kg||≤0.1mg/kg浙江公正检验中心有限公司/27//湖州仁皇山街道牛油果水果店(个体工商户)浙江省湖州市仁皇山街道天际花园28幢102号-2桂味荔枝//2024-07-09苯醚甲环唑||1.06mg/kg||≤0.5mg/kg浙江公正检验中心有限公司/28//湖州滨湖街道金鹤粮油杂货店浙江省湖州市湖州太湖旅游度假区滨湖街道塘甸村塘甸集镇菜场话梅//2024-05-18甜蜜素(以环己基氨基磺酸计)||66.8g/kg||≤8.0g/kg浙江公正检验中心有限公司/29湖北妙唯可食品有限责任公司湖北省襄阳市樊城区牛首镇刘古岗安吉黑鹿便利店浙江省湖州市安吉县孝丰镇云鸿塔西路258号(自主申报)绿豆糕散装称重妙唯可2024-03-01柠檬黄||0.0213g/kg||不得使用g/kg;亮蓝||0.00553g/kg||不得使用g/kg绿城农科检测技术有限公司/30安徽顺丰食品有限公司安徽省宣城市宣州区工业园怀仁路168号浙江惠客隆贸易有限公司浙江省湖州市湖州经济技术开发区康山街道王家漾佳苑71幢一层、二层果茶味瓜子5kg/箱升泉和图形2023-12-27过氧化值(以脂肪计)||1.3g/100g||≤0.80g/100g绿城农科检测技术有限公司/31南昌市吧旺园食品有限公司江西省南昌市南昌县小蓝经济技术开发区雄溪一路199号湖州太湖温泉度假酒店有限责任公司浙江省湖州市太湖旅游度假区梅洲路288号绿豆饼840g/盒/2024-05-01柠檬黄||7.01×10g/kg||不得使用浙江公正检验中心有限公司/3.食品抽检合格-20240821.xls
附件3食品抽检合格 近期,湖州市市场监督管理局组织抽检食用农产品、豆制品、糕点、水果制品、调味品、肉制品、蔬菜制品、炒货食品及坚果制品、粮食加工品、饮料、酒类、淀粉及淀粉制品、方便食品、餐饮食品、食用油、油脂及其制品、冷冻饮品、饼干、蛋制品、薯类和膨化食品、食糖、水产制品、糖果制品、罐头等23类食品438批次样品。根据食品安全国家标准检验和判定:抽样检验合格407批次、不合格31批次。序号标称生产企业名称标称生产企业地址被抽样单位名称被抽样单位所在省份食品名称规格型号生产日期/批号备注1//长兴小崔蔬菜经营部浙江西芹/2024-07-08/2//长兴小崔蔬菜经营部浙江鸡蛋/2024-07-08/3//湖州润虹超市有限公司浙江鳊鱼/2024-07-09/4//湖州欧尚超市有限公司浙江鲫鱼/2024-07-05/5//湖州润虹超市有限公司浙江黑鱼/2024-07-09/6//长兴鑫荣水果店浙江香蕉/2024-07-10/7//长兴发万家超市有限公司浙江鲜草鸡肉/2024-07-10/8//长兴鼎佳食品商行(个体工商户)浙江牛蛙/2024-07-01/9//长兴翡翠名都综合农贸市场李福华浙江辣椒/2024-07-09/10//长兴鑫荣水果店浙江荔枝/2024-07-10/11//长兴鼎佳食品商行(个体工商户)浙江水仙芒/2024-07-10/12//长兴县洪桥集贸市场赵淼浙江辣椒/2024-07-13/13//长兴梅英蔬菜摊浙江豆芽/2024-07-14/14//长兴伟冬蔬菜经营部浙江鸡蛋/2024-07-06/15//长兴伟冬蔬菜经营部浙江芹菜/2024-07-08/16//长兴乐活里超市浙江鳊鱼/2024-07-09/17//长兴乐活里超市浙江牛蛙/2024-07-09/18//长兴好惠缘咸菜经营部浙江腌白菜(酱腌菜)/2024-07-10/19//长兴好惠缘咸菜经营部浙江绿豆芽/2024-07-10/20//长兴发万家超市有限公司浙江咸猪后腿肉/2024-05-20/21//长兴翡翠名都综合农贸市场倪维朋浙江辣椒/2024-07-09/22//长兴好惠缘咸菜经营部浙江腌菜(酱腌菜)/2024-07-10/23//长兴翡翠名都综合农贸市场倪维朋浙江芹菜/2024-07-09/24上海益民食品一厂有限公司上海市奉贤区汇丰北路988号长兴东轩食品商行浙江一枝杨梅(杨梅棒冰)70克/袋2024-05-25/25夏津鑫客食品厂山东省德州市夏津县银城街道办事处郭寨村村南500米路西长兴鸿桥超市(个体工商户)浙江老北京枣糕(糕点)散装称重2024-04-12/26杭州加多宝饮料有限公司浙江省杭州市杭州经济技术开发区M10-23-4长兴鸿桥超市(个体工商户)浙江加多宝凉茶310毫升/罐2023-10-20/27杭州华味亨生物科技有限公司浙江省杭州市临平区星桥街道星桥北路74号长兴鸿桥超市(个体工商户)浙江盐津葡萄(辐照食品)(蜜饯)散装称重2023-09-26/28江阴市祝塘镇韬源食品厂江阴市祝塘镇文林环西路6号长兴和平韩董副食店浙江桃酥饼(糕点)散装称重2024-06-01/29中粮孔乙己酒业有限公司浙江省绍兴市越城区大越南路18号-1长兴和平韩董副食店浙江特型黄酒500ml/瓶,11.0%vol(酒龄:3年)2020-12-12/30中山市中邦调味食品有限公司广东省中山市阜沙镇阜港路长兴和平炳火副食便利店浙江拌饭剁辣椒(调味品)280g/瓶2024-04-01/31南昌达利食品有限公司江西省南昌市南昌县小蓝经济开发区长兴和平炳火副食便利店浙江和其正凉茶(植物饮料)1L/瓶2024-05-08/32//长兴县洪桥集贸市场赵淼浙江大葱/2024-07-13/33保定中德酿酒有限公司保定市徐水区遂城镇栗元庄村长兴和平炳火副食便利店浙江北京二锅头酒(白酒)750mL/瓶,42%vol2021-01-12/34绍兴越皇贡酿酒有限公司酿造绍兴市柯桥区平水镇梅园村长兴和平炳火副食便利店浙江纯粮黄酒500ml/瓶 ,14.0%VOL2023-01-07/35衡水老酒坊酿酒有限公司衡水市故城县故城镇东关长兴和平韩董副食店浙江老白干酒(白酒)500mL/瓶,42%vol2022-04-02/36//长兴县洪桥集贸市场陆荣浙江香蕉/2024-07-15/37//长兴和平诚玉超市浙江皮蛋/2024-07-11/38杭州亲喔食品有限公司浙江省杭州市临平区经济技术开发区华宁路165号长兴奚豆零食店(个体工商户)浙江盐津桃肉(蜜饯)散装称重2024-06-18/39湖南青果果食品有限公司湖南省益阳市资阳区新桥河镇新桥山村长兴奚豆零食店(个体工商户)浙江香卤猪蹄散装称重2024-06-20/40浙江伊利乳业有限公司浙江省金华市金西经济开发区北区6号长兴祺奕烟酒商行浙江经典巧恋果冰淇淋75克/袋2024-03-27/41//长兴婷婷蔬菜经营部浙江线椒/2024-07-07/42安图伊利长白山天然矿泉饮品有限责任公司吉林省延边州安图县二道白河镇红丰村长兴慧琴烟酒商行浙江伊刻活泉火山低温活泉矿泉水520mL/瓶2023-06-04/43//长兴八佰伴商业管理有限公司大统华分公司浙江老豆腐/2024-07-09/44//长兴八佰伴商业管理有限公司大统华分公司浙江鳊鱼/2024-07-09/45安徽太极洞酒业有限公司安徽省广德市东亭乡高峰工业集中区长兴雉城梅芳烟酒商行浙江老粮白(白酒)500ml/瓶,42%vol2023-11-11/46会稽山绍兴酒股份有限公司绍兴柯桥湖塘街道杨绍路2579号长兴雉城梅芳烟酒商行浙江会稽山(黄酒)500ml/瓶,12.0%vol2022-09-27/47//湖州润虹超市有限公司浙江老豆腐/2024-07-09/48//长兴八佰伴商业管理有限公司大统华分公司浙江黄冰糖/2024-07-03/49泰州市梅香食品有限公司江苏省泰州市海陵区工业园区泰安路8号湖州欧尚超市有限公司浙江梅香熟咸蛋440克(8只)/盒2024-05-17/50//长兴发万家超市有限公司浙江圈红薯粉条/2024-07-08/51//长兴佳好水果经营部浙江橙子/2024-07-01/52//长兴发万家超市有限公司浙江腊猪肉/2024-05-20/53中粮粮油工业(巢湖)有限公司合肥市巢湖市居巢经济开发区旗山路(旗山路与港口大道交叉口)长兴太湖孙氏调味品店浙江菜籽油1.8升/桶2024-03-21/54安庆市胡玉美酿造食品有限责任公司安徽省安庆市黄土坑东路57号长兴太湖孙氏调味品店浙江辣油椒酱(调味品)500克/瓶2024-01-14/55//长兴鼎佳食品商行(个体工商户)浙江海宁菜(蔬菜制品)/2024-07-08/56//长兴佳好水果经营部浙江香蕉/2024-07-09/57//长兴太湖威东水果店浙江水仙芒/2024-07-10/58中粮东海粮油工业(张家港)有限公司江苏省苏州市张家港市金港镇长兴太湖孙氏调味品店浙江一级大豆油1.8升/桶2024-05-06/59//长兴太湖孙氏调味品店浙江干辣椒(调味品)/2024-07-10/60//长兴鼎佳食品商行(个体工商户)浙江年糕/2024-07-09/61//长兴鼎佳食品商行(个体工商户)浙江咸菜(蔬菜制品)/2024-07-07/62安徽金沙河面业有限责任公司安徽省亳州市涡阳县开发区阳港产业园经四路与纬二路交叉口长兴敬春超市有限公司浙江预拌粉(自发小麦粉)1千克/袋2024-05-06/63漯河市领尚食品有限公司漯河市郾城区孟庙镇纬十路路北长兴敬春超市有限公司浙江海盐牛奶味小奶饼(饼干)散装称重2024-05-01/64杭州麦爽食品有限公司浙江省杭州市萧山区党湾镇幸福村十组79号长兴东轩食品商行浙江干吃汤圆(香芋味)(糕点)散装称重2024-05-21/65北京二锅头酒业股份有限公司北京市大兴区瀛海镇工业区兴海路2号长兴雉城贰点副食便利店浙江北京二锅头(白酒)500ml/瓶,42%vol2024-03-02/66桐乡市腾飞食品有限公司高桥镇龙南村周家桥长兴雉城贰点副食便利店浙江龙吟寸金油炒萝卜(酱腌菜)50克/袋2024-02-01/67南京鼎好食品有限公司南京市江宁区秣陵街道104国道以南1幢长兴孟海莎副食店浙江芒果片散装称重2024-06-06/68合肥光辉食品有限公司安徽省合肥市肥东县经济开发区龙城路与镇西路交口西北角1幢3层、2幢4层长兴孟海莎副食店浙江挪威小贝酥饼(原味)(糕点)散装称重2024-06-04/69//长兴孟海莎副食店浙江核桃味瓜子/2024-07-04/70//长兴孟海莎副食店浙江陈皮瓜子/2024-07-04/71无锡市台盛食品有限公司无锡市滨湖区马山常康路18号长兴东轩食品商行浙江爆浆奶芙(烘烤类糕点)称重2024-05-23/72浙江益海嘉里食品工业有限公司浙江省杭州市临平区崇贤街道拱康路889号长兴敬春超市有限公司浙江食用植物调和油1.8升/桶2023-11-29/73浙江百岁山食品饮料有限公司余姚市梁弄镇白水冲村长兴敬春超市有限公司浙江饮用天然矿泉水570ml/瓶2024-04-09/74安徽口口丫食品有限公司安徽省淮北市凤凰山经济开发区仪凤路19号温州食品工业园7号长兴东轩食品商行浙江奥尔良小腿计量称重2024-04-16/75马迭尔食品(浙江)有限公司浙江省衢州市东港三路18号长兴东轩食品商行浙江原味老冰棍75克/袋2024-06-13/76卡尔顿(集团)有限公司福建省漳州市龙海区海澄镇前厝村后厝366号长兴孟海莎副食店浙江一口面包散装称重2024-07-01/77浙江优拉食品有限公司浙江省嘉兴市南湖区七星街道东创路58号2#厂房湖州长兴满语零食店(个体工商户)浙江比利时风味饼干(焦糖味)计量称重2024-06-17/78延津克明面粉有限公司延津县产业集聚区南区长兴鸿桥超市(个体工商户)浙江麦芯自发粉(自发小麦粉)900克/袋2024-03-27/79漳州市宏香记食品有限公司福建省漳州市龙文区凤鸣路262号湖州长兴满语零食店(个体工商户)浙江沙嗲味肉干散装称重2024-06-11/80江苏骥洋食品有限公司江苏省泰州市靖江市西来镇骥洋路1号湖州长兴满语零食店(个体工商户)浙江虎皮凤爪(甜辣味)计量称重2024-06-18/81浙江益海嘉里食品工业有限公司浙江省杭州市临平区崇贤街道拱康路889号长兴鸿桥超市(个体工商户)浙江菜籽油1.8升/桶2023-11-10/82四川省眉山市华群食品酿造有限公司四川省眉山市松江经济开发区长兴汇佳超市(个体工商户)浙江油辣子(半固态复合调味料)260克/瓶2024-06-14/83//长兴汇佳超市(个体工商户)浙江蜜枣(蜜饯)/2024-07-02/84绍兴市马仁和食品有限公司浙江省绍兴市越城区皋埠街道银兴路24号车间五3楼湖州长兴满语零食店(个体工商户)浙江京枣(净素食品)(糕点)散装称重2024-07-01/85上海三牛食品有限公司上海市嘉定区华亭镇高石公路2517号湖州长兴满语零食店(个体工商户)浙江三牛万年青饼干(酥性饼干)散装称重2024-06-21/86马鞍山亿乐家食品有限公司安徽省马鞍山市和县历阳镇皖江蔬菜批发大市场1号长兴汇佳超市(个体工商户)浙江多仁酥(糕点)330克/盒2024-03-25/87//长兴汇佳超市(个体工商户)浙江中老婆梅裸装(蜜饯)/2024-05-26/88玉田县云海酒业有限公司玉田县马头山长兴汇佳超市(个体工商户)浙江纯粮酒(白酒)500ml/瓶,43%vol2024-04-29/89华懋双汇实业(集团)有限公司河南省漯河市召陵区人民东路100号长兴和平韩董副食店浙江鸡肉火腿肠180g/根2024-05-16/90兰溪市亿盛旺农业科技有限公司浙江省金华市兰溪市水亭畲族乡下方泉村长兴和平诚玉超市浙江油辣雪菜(酱腌菜)280克(固形物≥80%)/袋2024-05-12/91//长兴吴爱珍便利店浙江陈皮(蜜饯)/2024-07-05/92诸暨市新麦利食品厂浙江省绍兴市诸暨市暨南街道淀荡畈村水底俞自然村长兴德平副食店浙江金钱饼(糕点)190克/袋2024-06-01/93//长兴吴爱珍便利店浙江瓜子(炒货)/2024-07-05/94苏州华新达饮品技术有限公司江苏省苏州高新区金燕路9号长兴和平韩董副食店浙江饮用纯净水555毫升/瓶2023-12-18/95宁波市江北亲友食品有限公司宁波市江北区东昌路321号长兴大德福超市浙江九制半梅(蜜饯)散装称重2024-01-15/96宁波市江北亲友食品有限公司宁波市江北区东昌路321号长兴大德福超市浙江情人梅(蜜饯)散装称重2024-03-01/97丹阳市丹北镇艺发园食品厂江苏省镇江市丹阳市丹北镇埤城镇中路东段长兴大德福超市浙江糯米锅巴(油炸类糕点)散装称重2024-04-03/98龙海市新信达食品有限公司福建省漳州市龙海区紫泥镇溪墘村下尾瓦151号长兴大德福超市浙江手撕肉干(酱香味)散装称重2024-05-10/99慈溪市周巷镇逢其调味食品厂慈溪市周巷镇长胜六塘长兴和平炳火副食便利店浙江小米辣(酱腌菜)100克/袋2024-01-12/100杭州超皇食品有限公司杭州余杭区塘栖镇柴家坞长兴洪桥购得欢副食便利店浙江甘草桃肉(话化类)散称计量2024-01-28/101//长兴洪桥孟凡好干货店浙江腐竹(非发酵豆制品)/2024-07-13/102杭州统一企业有限公司杭州大江东产业集聚区三丰路301号长兴洪桥购得欢副食便利店浙江香辣牛肉面(方便食品)面饼+配料97克,面饼:82.5克/袋2024-05-29/103//长兴吴爱珍便利店浙江红枣干/2024-07-14/104都昌县庆康食品有限公司江西省九江市都昌县蔡岭工业园长兴和平诚玉超市浙江麻辣腊肠(肉制品)按实际计量称重2024-06-25/105武汉市汉味鲜绿色食品有限公司武汉市新洲区双柳街蔬菜产业加工园长兴和平诚玉超市浙江外婆菜(酱腌菜)208克/袋2024-03-07/106//长兴德平副食店浙江金丝蜜枣(蜜饯)/2024-06-18/107//长兴德平副食店浙江红枣干/2024-06-18/108嘉兴市秀洲区王江泾秀虹食品厂嘉兴市秀洲区王江泾镇双桥集镇建业路8号长兴德平副食店浙江铜锣烧(糕点)称重2024-06-02/109//长兴吴爱珍便利店浙江金桔(蜜饯)/2024-07-05/110许昌市建安区振宇食品厂许昌市建安区蒋李集镇西村长兴吴爱珍便利店浙江豆干角味(调味面制品)散装称重2024-04-09/111//长兴李家巷赵丽生面店浙江年糕片/2024-07-15/112湖北达利食品有限公司湖北省汉川市新河镇老街长兴奚豆零食店(个体工商户)浙江和其正凉茶(植物饮料)500mL/瓶2024-04-24/113//长兴浙北大厦购物广场有限公司东鱼坊店浙江虾皮(水产制品)/2024-07-01/114温州修文食品有限公司温州市瓯海区新桥街道前花工业区金达路43号长兴奚豆零食店(个体工商户)浙江卤猪尾(酱卤肉制品)称重2024-07-02/115杭州统一企业有限公司杭州大江东产业集聚区三丰路301号长兴洪桥购得欢副食便利店浙江红烧牛肉面(方便食品)面饼+配料100克,面饼:82.5克/袋2024-07-04/116//长兴洪桥孟凡好干货店浙江辣椒段(香辛料)/2024-07-13/117//长兴浙北大厦购物广场有限公司东鱼坊店浙江小柴鸡蛋称重2024-07-13/118杭州亲喔食品有限公司浙江省杭州市临平区经济技术开发区华宁路165号长兴奚豆零食店(个体工商户)浙江无核提子(蜜饯)散装称重2024-06-23/119//长兴熊本餐厅浙江自消毒餐具(盘)/2024-07-16/120//长兴汝好包子店(个体工商户)浙江白馒头/2024-07-16/121//长兴汝好包子店(个体工商户)浙江油条/2024-07-16/122//长兴雨记餐厅浙江自消毒餐具(碗)/2024-07-16/123浙江渔福食品有限公司杭州市余杭区崇贤街道银杏路9号5幢长兴浙北大厦购物广场有限公司东鱼坊店浙江鱼豆腐(熟制动物性水产制品)散装称重2024-02-24/124//长兴浙北大厦购物广场有限公司东鱼坊店浙江大葱/2024-07-13/125衢州市光大面业有限公司衢州市柯城区扬浦路38号长兴县煤山镇社会福利中心浙江玉米风味挂面600克/筒2024-05-05/126//长兴明德养老服务中心浙江茄子计量称重2024-07-17/127鹤山市东古调味品食品有限公司广东省鹤山市古劳镇麦水工业区3号长兴元墅景程老年公寓浙江一品鲜(酿造酱油)1.6L/瓶2023-12-22/128苏州市平望调料酱品有限公司苏州市吴江区平望镇运河路38号长兴县煤山镇社会福利中心浙江杭帮菜(方便榨菜)108克/袋2024-05-21/129南通纳豉康食品有限公司南通市通州区石港科技产业园长兴明德养老服务中心浙江糟方腐乳500克/瓶2024-06-15/130浙江长兴古银杏食品科技有限公司浙江省长兴县小浦镇画溪浙江长兴古银杏食品科技有限公司浙江银杏果粉80克/盒2024-07-10/131//湖州蜀山老年医院有限公司浙江鲜鸡蛋计量称重2024-07-19/132//湖州市吴兴区邦尔养老院浙江大白菜计量称重2024-07-19/133//湖州市吴兴区邦尔养老院浙江青椒计量称重2024-07-19/134//湖州市吴兴区邦尔养老院浙江鸡蛋计量称重2024-07-19/135//湖州蜀山老年医院有限公司浙江湿面条计量称重2024-07-18/136//湖州蜀山老年医院有限公司浙江特级咸菜计量称重2024-07-18/137//湖州安普景和护理院有限公司浙江番茄计量称重2024-07-19/138//湖州安普景和护理院有限公司浙江三黄鸡肉计量称重2024-07-19/139//湖州绿康养老服务中心有限公司浙江生湿面计量称重2024-07-17/140扬州三和四美酱菜有限公司江苏省扬州市广陵区鼎兴路29号(扬州食品工业园内)湖州绿康养老服务中心有限公司浙江麻油红方腐乳(发酵豆制品)500g/瓶2024-06-05/141佳乐利康(天津)医用食品有限公司天津市北辰区天津北辰经济技术开发区医药医疗器械工业园赛菲世纪医药园10-2湖州绿康养老服务中心有限公司浙江匀浆膳常规型即食谷物方便食品500克(50克×10)/袋2024-02-28/142浙江艾格生物科技股份有限公司浙江省湖州市长兴县太湖街道太湖大道1298号浙江艾格生物科技股份有限公司浙江鸡蛋蛋白粉20kg/袋2024-05-15/143浙江味之源食品有限公司浙江省湖州市长兴县太湖街道经济开发区荣乐路188号浙江味之源食品有限公司浙江小西梅30kg/袋2024-06-29/144//长兴元墅颐养中心浙江黄瓜计量称重2024-07-20/145//长兴元墅颐养中心浙江鸡蛋计量称重2024-07-22/146吴江市铜罗万全隆酿造厂吴江区桃源镇铜罗严慕村镇南路58号长兴国泰康复护理养老院浙江醋味调味汁485ml/瓶2024-04-11/147//熙鸿寓健(长兴)健康养老有限公司浙江鸡蛋计量称重2024-07-03/148//熙鸿寓健(长兴)健康养老有限公司浙江包子计量称重2024-07-22/149//熙鸿寓健(长兴)健康养老有限公司浙江馒头计量称重2024-07-22/150山东旺旺食品有限公司山东省济南市济阳区济北经济开发区湖州龙溪街道恒旺食品经营部浙江扁桃仁效果醇香原味坚果饮植物蛋白饮料250mL/盒2024-01-05/151浙江一派食品有限公司兰溪市轻工工业专业区越中路湖州佳记食品贸易有限公司浙江蜂蜜柚子茶(果酱)450g/罐2024-03-19/152//德清式康街道张央央蔬菜店浙江上海青(小青菜)/2024-07-11/153杭州塘栖法根食品有限公司浙江省杭州市临平区塘栖镇富塘路27号1幢德清德源网络科技有限公司浙江小桃酥170克/盒2024-07-07/154巨野县哆旺食品有限公司山东省菏泽市巨野县大义镇葛店村西南浔菱湖王建平食品店浙江一品蛋酥120g/盒2024-05-29/155福建全家福食品有限公司福建省漳州市龙海区紫泥镇锦田村北洲368号长兴雉城易恒食品经营部浙江五香肉粒散装称重2024-02-02/156杭州临安新晨华源食品有限公司杭州市临安区河桥聚秀村湖州仁皇山街道小悠食品网店浙江休闲野笋(五香味)计量称重2024-06-03/157安徽沈师傅食品有限公司安徽省合肥市经济技术开发区桃花工业园始信路128号安吉洪冰贸易商行浙江沈师傅鸡蛋干100克/袋2024-05-20/158江苏骥洋食品有限公司江苏省泰州市靖江市西来镇骥洋路1号湖州仁皇山街道小悠食品网店浙江盐焗味鹌鹑蛋计量称重2024-05-15/159黄山市万安食品有限公司安徽省黄山市休宁县城横江路(东山开发区)安吉洪冰贸易商行浙江老卤香干(香卤味)散装称重2024-06-06/160河北君邦乳业有限公司河北省邯郸市馆陶县工业园区新能街西段北侧长兴雉城易恒食品经营部浙江让茶茉莉乌龙茶饮品「无糖」500毫升/瓶2024-04-13/161河北挚爱食品有限公司河北省沧州市献县大陈庄镇工业区(赵庄)湖州龙溪街道鼎晟食品经营部浙江双柚复合果汁饮料330mL/瓶2024-05-16/162山东汇宝食品有限公司山东省日照市莒县果庄镇驻地雪山路118号湖州吴兴锦鑫副食品批发部浙江紫薯红提沙琪玛计量称重2024-05-14/163泸州老窖股份有限公司四川泸州国窖广场湖州康山街道久源酒类商行浙江泸州老窖二曲酒(2021版)500mL/瓶,42%vol2022-06-20/164泸州老窖股份有限公司四川泸州国窖广场湖州康山街道久品烟酒商行浙江泸州鉴藏酒红耀500mL/瓶,42%vol2022-04-09/165瑞安市平萍食品有限公司温州市瑞安市湖岭镇河岙村屿后坦屿后路1号湖州龙溪街道方平超市(个体工商户)浙江牛肉干(五香味)计量称重2024-03-03/166河南双汇投资发展股份有限公司河南省漯河市牡丹江路288号湖州杨家埠兄弟副食品店浙江双汇王中王优级火腿肠60g/支,优级(淀粉含量≤8%)2024-06-11/167苏州市西山金龙食品有限公司江苏省苏州市吴中区西山镇东蔡街湖州康山街道锡明副食品批发部浙江甘草支卜5kg/袋2024-05-08/168贵州闲爽食品有限公司贵州省遵义市道真自治县玉溪镇巴渔工业园雁归园C栋第一、二、三层和B栋第三层厂房湖州康山街道凯达副食品批发部浙江香菇豆干(鸡汁味)计量称重2024-05-25/169黄山市万安食品有限公司安徽省黄山市休宁县城横江路(东山开发区)湖州康山街道沈氏食品商行浙江万安茶干(野山椒味)135克/袋2024-06-25/170普宁市胜达悠品食品有限公司普宁市里湖镇新松村工业加工区01湖州吴兴加美副食批发部浙江加州西梅散装称重2024-07-01/171石狮黎祥食品有限公司福建省泉州市石狮市永宁镇沙堤十二区10号湖州康山街道宁华副食品店浙江咸柠檬味夹心硬糖散装称重2024-03-25/172祐康食品(杭州)有限公司浙江省杭州市江干区九堡街道九环路29号湖州康山街道盛利烟酒商行浙江蓝莓味雪糕100克/杯2024-02-26/173天津市华府园食品有限公司天津市静海区王口镇大瓦头村静文路67号湖州仁皇山街道阳升喜超市浙江焦糖味爆米花120克/杯2024-06-14/174宁波市达伦之园食品有限公司宁波余姚低塘街道芦城村湖州龙溪街道乐明食品商行浙江番茄味尖尖脆散装称重2024-06-11/175河南米多奇食品有限公司辉县市太行大道东段路北1598号湖州龙溪街道周芷妍烟酒商行浙江雪饼计量称重2023-12-24/176沭阳七亩园食品有限公司沭阳县吴集镇工业园区湖州仁皇山街道闵忠副食品店浙江玉米生粉150g/袋,一级2024-01-21/177招远市兄弟龙口粉丝有限公司山东省招远市辛庄镇台子李家村湖州市仁皇山街道好阿婆饭店浙江春珠粉丝125g/袋,合格2024-04-02/178江西永叔府食品有限公司江西永丰县桥南工业园湖州龙溪街道周芷妍烟酒商行浙江麻油白腐乳300克/罐2023-09-24/179夹江县清江酿造有限公司四川省乐山市夹江县漹城街道城东社区5组199号湖州市凤凰街道牛有果水果店浙江腐乳(香辣味)300克/罐2024-03-30/180黄山市万安食品有限公司安徽省黄山市休宁县城横江路(东山开发区)湖州凤凰街道小钱食品商行浙江万安茶干(香辣味)散装称重2024-03-12/181福建歆辰食品有限公司福建省龙岩市新罗区龙州工业园合金区象皮山福建广华交通科技有限公司三号车间三楼湖州凤凰街道小钱食品商行浙江去皮鸡腿(奥尔良味)散装称重2024-06-07/182漯河双汇肉业有限公司河南省漯河市牡丹江路288号湖州仁皇山街道闵忠副食品店浙江双汇王中王优级火腿肠60g/根,优级(淀粉含量≤8%)2024-05-08/183南昌双汇食品有限公司江西省南昌市桑海经济技术开发区阳光大道1号湖州市仁皇山街道森美便利店浙江泡面拍档香肠70g/根,普通级2024-05-02/184芜湖双汇食品有限公司安徽省芜湖市三山经济开发区临江工业区湖州圆信贸易有限公司浙江蒸煮淀粉肉肠130g/根2024-06-03/185//湖州市仁皇山街道好阿婆饭店浙江黄豆芽/2024-07-11/186湖南津山口福食品有限公司常德市桃源县高新区漳江片区桃花大道北端009号湖州仁皇山街道蛙聚财餐饮店浙江鱼酸菜500g/袋2024-01-02/187海宁市龙桥蔬菜股份有限公司海宁市斜桥镇榨菜科技工业园湖州仁皇山街道晓刚副食品店浙江阿高师傅榨菜条(酱腌菜)158克/袋2024-06-05/188海宁市龙桥蔬菜股份有限公司海宁市斜桥镇榨菜科技工业园湖州市仁皇山街道森美便利店浙江阿高师傅榨菜条(酱腌菜)158克/袋2024-04-16/189杭州顶益食品有限公司杭州经济技术开发区银海街555号湖州龙溪街道红瑞副食店浙江康师傅红烧牛肉面面饼+配料105克,面饼85克/袋2024-06-01/190南京白象食品有限公司南京市江宁区上峰工业园湖州仁皇山街道晓刚副食品店浙江老坛酸菜牛肉面面饼+配料145克 面饼110克/袋2024-06-15/191广东贝氏食品科技有限公司汕头市金平区北轴工业区G2幢-1湖州龙溪街道乐明食品商行浙江红枣核桃燕麦片计量称重2024-05-07/192湖北爽露爽食品股份有限公司(孝昌)分公司湖北省孝感市孝昌县开发区站前三路湖州圆信贸易有限公司浙江鲜炖米酿银耳羹200克/罐2023-08-02/193马鞍山市当涂县丰利食品厂马鞍山市当涂县年陡镇湖州康山街道凯达副食品批发部浙江香米酥散装称重2024-06-05/194蒙牛乳业(马鞍山) 有限公司安徽省马鞍山市经济技术开发区湖州康山街道道友客食品商行浙江经典香草口味冰淇淋75克/袋2024-01-30/195绍兴咸亨食品股份有限公司浙江省绍兴市绍三线永仁路湖州龙溪街道品泽副食品商行浙江香酥玫瑰腐乳258克/瓶2024-06-16/196重庆渝每滋农业科技发展有限公司重庆市梁平区双桂街道迎宾路789号湖州龙溪街道鑫柯副食店浙江豆干(香辣味)计量称重2024-05-15/197重庆金丽源食品有限公司重庆市巴南区南泉街道迎宾路99号11幢湖州龙溪街道谌继华食品商行浙江香菇豆干(麻辣味)计量称重2024-06-01/198//湖州龙溪街道钱姚月豆制品经营部浙江豆干/2024-07-13/199//湖州龙溪街道品泽副食品商行浙江陈皮/2024-07-05/200平湖市林埭镇广欣食品厂平湖市林埭镇徐家埭村谢家浜3号湖州龙溪街道惠龙食品商行浙江食用玉米淀粉(分装)270g/袋,一级品2024-01-08/201临沭县盛洁冷冻粉丝厂临沭县蛟龙镇相小湾后村湖州龙溪街道益众副食店浙江红薯精制粉条(干粉条)500g/袋2024-01-16/202泗水利丰食品有限公司泗水县杨柳镇湖州龙溪街道惠龙食品商行浙江柳絮红薯粉皮500g/袋2024-01-01/203慈溪市天元镇维佳食品厂慈溪市周巷镇潭南村湖州龙溪街道谌继华食品商行浙江素食海苔咸味饼干散装称重2024-06-02/204杭州顶益食品有限公司杭州经济技术开发区银海街555号湖州龙溪街道梓晨食品商行(个体工商户)浙江红烧牛肉面面饼+调料113克 面饼85克/桶2024-06-05/205沈阳奎斯特李食品有限公司沈阳市沈北新区正良四路52甲号湖州龙溪街道梓晨食品商行(个体工商户)浙江鸡腿肉肠(烧烤味)散装称重,普通级2024-05-19/206华懋双汇实业(集团)有限公司河南省漯河市召陵区人民东路100号湖州康山街道道友客食品商行浙江泡面搭档香肠70g/支,普通级2024-05-09/207//湖州仁皇山街道锦盘餐饮店浙江娃娃菜/2024-07-11/208余姚市阿姚皇食品有限公司浙江省余姚市小曹娥镇滨海村湖州仁皇山街道丽萍副食品店浙江阿姚皇香菇榨菜丝108克/袋2024-02-01/209贵州闲爽食品有限公司贵州省遵义市道真自治县玉溪镇巴渔工业园雁归园C栋第一、二、三层和B栋第三层厂房湖州康山街道盛利烟酒商行浙江手磨豆干(五香味)计量称重2024-05-25/210莘县双佳龙食品有限公司莘县大张家镇小屯村40号湖州仁皇山街道阳升喜超市浙江酱鹅肝(甜辣味)散装称重2024-03-15/211河南双汇投资发展股份有限公司河南省漯河市牡丹江路288号湖州龙溪街道李军强食品商行浙江双汇王中王优级火腿肠35g/根,优级(淀粉含量≤8%)2024-05-19/212龙海市庆丰食品有限公司福建省漳州市龙海区白水镇碧园路97号4栋5栋6栋湖州仁皇山街道喜滋味副食品商行浙江尖角脆(香辣味)散装称重2024-05-02/213//湖州仁皇山街道龙禄门饭店浙江茄子/2024-07-10/214//湖州仁皇山街道龙禄门饭店浙江小龙虾/2024-07-09/215成都金大洲实业发展有限公司成都市郫都区安德镇中国川菜产业化园区永和路339号湖州仁皇山街道喜滋味副食品商行浙江五香金针菇散装称重2024-06-17/216//吴兴伍林点心店浙江猫爪蛋糕/2024-07-04/217//吴兴小葛蔬菜经营部(个体工商户)浙江泡椒/2024-07-10/218//吴兴小葛蔬菜经营部(个体工商户)浙江毛芹/2024-07-10/219//吴兴少英蔬菜店(个体工商户)浙江豇豆/2024-07-10/220//吴兴少英蔬菜店(个体工商户)浙江芹菜/2024-07-10/221//吴兴少英蔬菜店(个体工商户)浙江白甜椒/2024-07-10/222//吴兴张秀利水果店浙江荔枝/2024-07-09/223//吴兴富强蔬菜经营部浙江红彩椒(甜椒)/2024-07-10/224//吴兴笨笨鸡蛋店(个体工商户)浙江洋鸡蛋/2024-07-09/225//吴兴笨笨鸡蛋店(个体工商户)浙江草鸡蛋/2024-07-09/226山东省高唐县荣康食品厂山东省聊城市高唐县鱼邱湖办事处付堂村东段湖州龙溪街道柳军副食店浙江迷你月饼(板栗味)散装称重2024-06-04/227//湖州龙溪街道柳军副食店浙江多晶体冰糖/2024-05-10/228//湖州龙溪街道昊奇食品商行浙江老婆梅/2024-07-02/229山东相仔食品有限公司山东省济宁市泗水县经济开发区泉音路北湖州吴兴丽南副食品商店浙江香辣腿(鸭翅根)40克/个2024-06-01/230博兴县福源糕点厂博兴县湖滨镇西门村湖州龙溪街道柳军副食店浙江老五仁月饼称重2024-05-04/231//湖州龙溪街道昊奇食品商行浙江盐津支卜/2024-06-15/232大连同顺兴食品有限公司辽宁省大连市旅顺龙头街道郭家沟村湖州龙溪街道昊奇食品商行浙江香辣鱿鱼仔称重销售2024-05-04/233河北蓝月食品有限公司河北省邢台市宁晋县苏家庄镇东丁村东南角湖州吴兴丽南副食品商店浙江海绵蛋糕290克/袋2024-06-06/234广东杜盛食品有限公司饶平县钱东镇下浮山村大泉片湖州龙溪街道浦明食品商行浙江盐焗鸡腿称重2024-06-01/235靖江市顶香食品厂靖江市生祠工业园新丰江平路88号湖州龙溪街道浦明食品商行浙江精制蜜汁猪肉脯(肉脯)称重2024-05-08/236漳州市宏香记食品有限公司福建漳州蓝田经济开发区龙文园区浦口路5号湖州龙溪街道浦明食品商行浙江XO酱手撕肉脯散装称重2024-05-19/237//湖州龙溪街道美天食品商行浙江圈粉丝/2024-07-09/238//湖州龙溪街道美天食品商行浙江粉丝/2024-07-07/239//湖州龙溪街道嘉惠食品商行浙江山核桃味瓜子/2024-07-09/240//湖州龙溪街道蓉蓉蔬菜商行浙江青芒/2024-07-09/241//湖州龙溪街道蓉蓉蔬菜商行浙江夏橙/2024-07-01/242//湖州龙溪街道美天食品商行浙江白双片豆腐/2024-07-12/243诸暨市丰丰食品有限公司诸暨市店口镇包村村包村自然村256号湖州龙溪街道嘉惠食品商行浙江手打瓜子5kg/箱2024-05-06/244//湖州龙溪街道嘉惠食品商行浙江祖名千张b型/2024-07-12/245//湖州龙溪街道蓉蓉蔬菜商行浙江妃子笑荔枝/2024-07-09/246扬州三和四美酱菜有限公司江苏省扬州市鼎兴路29号湖州仁皇山街道依加副食品商店浙江扬州糟方腐乳(发酵豆制品)500g/罐2024-03-23/247海宁市龙桥蔬菜股份有限公司海宁市斜桥镇榨菜科技工业园湖州仁皇山街道依加副食品商店浙江阿高师傅榨菜条(酱腌菜)158克/袋2024-06-02/248恒升(新乡)食品有限公司卫辉市翔宇大道中段(火车站对面)湖州仁皇山街道依加副食品商店浙江刀削面(普通挂面)1千克/袋2023-09-22/249武进区礼嘉振中食品厂江苏省常州市武进区礼嘉镇毛家村贝庄工业园区湖州仁皇山街道依加副食品商店浙江牛肉味兰花豆(油炸类)100克/袋2024-04-10/250上海冠生园天厨调味品有限公司青浦区青浦工业园区新团路18号、88号湖州仁皇山街道依加副食品商店浙江宴会鲜味汁调味料430毫升/瓶2024-05-31/251江苏点缀食品有限公司江苏省常州市新北区春江街道通江北路899号2幢2层湖州凤凰街道高亮副食店浙江全麦厚切鲜吐司(无添加蔗糖)散装称重2024-06-13/252重庆渝之恋食品有限公司重庆市垫江县高安镇高安村二组湖州仁皇山街道景俊超市浙江泡椒味手磨豆干(蒸煮大豆蛋白制品)计量称重2024-03-02/253千里广大(重庆)食品有限公司重庆市合川区南津街街道办事处高阳路1028号2幢1-2湖州仁皇山街道景俊超市浙江山椒花生计量称重2024-04-10/254重庆市涪陵区倍儿下饭食品有限公司重庆市涪陵区南沱镇连丰一组移民街(腰铺子)湖州仁皇山街道景俊超市浙江鲜脆菜丝53克/袋2024-03-26/255沥发(福建)食品有限公司福建省龙海市白水镇楼埭村树兜169号湖州仁皇山街道景俊超市浙江芋泥双Q蛋糕散装称重2024-05-22/256丹阳市升之味食品有限公司江苏省丹阳市皇塘镇蒋墅梧桐村14组湖州仁皇山街道景俊超市浙江油京果(糕点)335克/罐2024-06-01/257//湖州仁皇山街道鲁连厂副食品店浙江盐津橄榄/2024-06-14/258//湖州仁皇山街道鲁连厂副食品店浙江熟花生米/2024-06-27/259//湖州仁皇山街道鲁连厂副食品店浙江干辣椒/2024-06-09/260浙江伟达粮油有限公司浙江省金华市婺城区琅峰街469号湖州凤凰街道高亮副食店浙江爱定自发小麦粉(自发小麦杂粮粉)1kg/袋2024-05-20/261揭西县凤江盛欢食品厂揭西县凤江镇东光埔双湖州凤凰街道高亮副食店浙江咸橄榄散装称重2024-04-11/262四川天味家园食品有限公司成都市郫都区中国川菜产业化园区永安路555号湖州凤凰街道高亮副食店浙江手工牛油老火锅底料(麻辣)228克/袋2023-11-07/263//湖州仁皇山街道云朋水果店浙江水仙芒/2024-07-04/264//湖州仁皇山街道云朋水果店浙江香蕉/2024-07-04/265//湖州仁皇山街道云朋水果店浙江蜜橘/2024-07-04/266四川光良酿酒有限公司四川省成都市蒲江县寿安街道元觉村2组307号湖州康山街道蔡家食品商行浙江光良酒-39(白酒)500ml/瓶,42%vol2023-01-04/267海宁市龙桥蔬菜股份有限公司海宁市斜桥镇榨菜科技工业园湖州康山街道蔡家食品商行浙江阿高师傅榨菜条(酱腌菜)158克/袋2024-04-10/268会稽山绍兴酒股份有限公司绍兴柯桥湖塘街道杨绍路2579号湖州康山街道蔡家食品商行浙江会稽山(黄酒)500mL/瓶,9.0%vol2022-09-27/269湖南舌尖洞庭食品有限公司湖南省岳阳市君山区柳林洲街道办事处君山食品工业园兴业路第一栋湖州康山街道诗奕食品商行浙江黄瓜(鲜湘味)(酱腌菜)散装称重2024-05-01/270安徽华盛食品有限公司安徽省怀远经济开发区金河路1号湖州南太湖新区浙北大厦超市有限公司浙江香瓜子(奶油味)(炒货)按实际称重2024-02-28/271镇江恒顺酒业有限责任公司江苏省镇江市丹徒新城恒园路1-2号湖州南太湖新区浙北大厦超市有限公司浙江葱姜料酒350mL/袋2024-04-10/272//湖州南太湖新区浙北大厦超市有限公司浙江花椒(香辛料)/2024-04-25/273亿滋食品(苏州)有限公司江苏省苏州工业园区星龙街宋巷1号湖州康山街道淑金百货店浙江香脆曲奇(饼干)称重销售2024-04-16/274//湖州康山街道淑金百货店浙江超大原味淡瓜子(炒货)/2024-04-24/275//湖州康山街道淑金百货店浙江话梅肉(蜜饯)/2024-06-11/276广东好味佳食品有限公司广东省潮州市潮安区潮安大道西(好味佳工业城)湖州康山街道珍珍食品商行(个体工商户)浙江广澳®梅(李子制品)(凉果类)散装称重2023-11-30/277莱芜壹统姜山食品有限公司山东省济南市莱芜区大王庄镇下崮村湖州康山街道珍珍食品商行(个体工商户)浙江糖醋蒜(酱腌菜)300g/袋2024-04-25/278龙海市吉祥工坊食品有限公司福建省漳州市龙海区东园镇凤鸣村阳光社556号湖州康山街道周氏水果店浙江水牛纯奶蛋糕(糕点)420g/盒2024-05-26/279//湖州康山街道溏沁水果商行(个体工商户)浙江香蕉/2024-07-02/280晋江市吉隆农业综合开发有限公司福建省泉州市晋江市安海镇上垵村吉隆路2号湖州康山街道周秦豪食品商行浙江多味花生(烧烤味)(炒货)散装称重2024-04-14/281尊海食品集团有限公司山东省淄博市沂源县大张庄镇湖州康山街道周秦豪食品商行浙江原味薯条+番茄酱散装称重2024-04-20/282甘小鲜(福建)食品有限公司福建省漳州市龙海区东园镇凤鸣村阳光503号9栋湖州康山街道诗奕食品商行浙江甘小鲜温柔的吐司(糕点)350克/袋2024-06-21/283//吴兴高记炒货店浙江特级支卜(话化类蜜饯)/2024-06-10/284//吴兴姜存义副食品店浙江八角/2024-07-07/285壕麦(山东)食品有限公司聊城市东昌府区嘉明工业园昌润路与安居路交叉口吴兴高记炒货店浙江冰糕糕点散装称重2024-03-24/286江山市祝家庄食品有限公司衢州市江山经济开发区江东工业园兴工三路1号吴兴姜存义副食品店浙江家乡风肉(腌腊肉制品)称重2024-05-06/287临沭县利城冷冻粉条厂临沭县蛟龙镇后利城村吴兴姜存义副食品店浙江红薯精制粉条(干粉条)500g/袋2024-01-20/288常熟鲁花食用油有限公司常熟市辛庄镇长盛路1号吴兴洪娣副食店浙江纯香菜籽油5升/桶2024-02-01/289//吴兴洪娣副食店浙江咸五花肉/2024-05-01/290//吴兴施卫强副食店浙江蜜枣/2024-06-20/291//吴兴施卫强副食店浙江儒乡粉条/2024-06-20/292//吴兴汤水法副食店浙江粉条/2024-03-11/293//吴兴汤水法副食店浙江干桂皮/2024-05-29/294//吴兴嘉程豆制品店浙江卤水老豆腐/2024-07-08/295//吴兴高记炒货店浙江丁香陈皮/2024-06-10/296//吴兴姜存义副食品店浙江辣椒/2024-07-07/297桐乡市乌镇庄氏食品厂桐乡市乌镇横港村孔家浜37号吴兴高记炒货店浙江猪油麻酥350克/袋2024-04-22/298//吴兴高记炒货店浙江原味南瓜子/2024-07-07/299//吴兴姜存义副食品店浙江蜜枣/2024-07-03/300//吴兴洪娣副食店浙江干辣椒粉/2024-07-04/301常熟鲁花食用油有限公司常熟市辛庄镇长盛路1号吴兴洪娣副食店浙江纯香葵花仁油5升/桶2024-03-10/302//吴兴洪娣副食店浙江干八角/2024-06-21/303//吴兴施卫强副食店浙江干辣椒/2024-07-07/304//吴兴施卫强副食店浙江八角/2024-07-07/305//吴兴汤水法副食店浙江圆圈粉(淀粉制品)/2024-02-26/306安徽金沙河面业有限责任公司安徽省亳州市涡阳县开发区阳港产业园经四路与纬二路交叉口吴兴汤水法副食店浙江预拌粉(自发小麦粉)1千克/袋2024-05-24/307//吴兴慎建新副食店浙江干桂皮/2024-06-15/308//吴兴慎建新副食店浙江腐竹/2024-06-15/309//吴兴嘉程豆制品店浙江大包干(豆制品)/2024-07-08/310金太阳粮油股份有限公司江苏省如东县岔河镇交通东路33号吴兴慎建新副食店浙江低芥酸菜籽油1.8L/瓶2024-01-10/311益海嘉里(兖州)粮油工业有限公司山东省济宁市兖州区益海路1号吴兴慎建新副食店浙江超精小麦粉2.5千克/袋2024-05-18/312五常市杭派粮食贸易有限公司黑龙江省哈尔滨市五常市杜家镇开发村六家屯吴兴慎建新副食店浙江五常大米5kg/袋2024-06-03/313//吴兴沈根美豆制品店浙江嫩豆腐/2024-07-08/314//吴兴沈根美豆制品店浙江白香干/2024-07-08/315安徽健达食品科技有限公司安徽省滁州市南京北路362号(1号厂房)吴兴织里陈勇兴副食店浙江开心果可吸果冻散装称重2024-03-10/316福建两口子食品有限公司福建省漳州市南靖县南靖高新技术产业园区吴兴织里陈勇兴副食店浙江绿豆饼散装称重2024-05-06/317天麦然面业有限公司河北省大名县五得利街吴兴赵香玉生面店浙江刀削面挂面900克/袋2023-08-02/318浙江娃哈哈昌盛饮料集团有限公司浙江省海宁农业对外综合开发区春澜西路吴兴织里陈勇兴副食店浙江饮用纯净水596mL/瓶2024-06-11/319河南优麦食品有限公司河南省新郑市薛店镇工贸开发区吴兴王记均生面店浙江荞麦挂面900克/袋2024-06-12/320安徽金沙河面业有限责任公司安徽省亳州市涡阳县开发区阳港产业园经四路与纬二路交叉口吴兴赵香玉生面店浙江花色挂面(香菇风味挂面)900克/袋2024-01-08/321安徽健达食品科技有限公司滁州市南京北路362号(1号厂房)吴兴织里陈勇兴副食店浙江可吸果冻(苹果味)散装称重2024-03-03/322福建两口子食品有限公司福建省漳州市南靖县南靖高新技术产业园区吴兴织里陈勇兴副食店浙江香芋饼散装称重2024-05-06/323浙江百岁山食品饮料有限公司余姚市梁弄镇白水冲村吴兴织里陈勇兴副食店浙江饮用天然矿泉水570ml/瓶2024-03-06/324//吴兴王记均生面店浙江年糕/2024-07-09/325延津县克明面业有限公司河南省新乡市食品工业园区吴兴王记均生面店浙江劲道玉带挂面1千克/袋2024-04-14/326余姚市华愉食品厂浙江省余姚市低塘街道低塘村镇南路51号吴兴织里金长信副食店浙江大蜜枣蛋糕散装称重2024-05-08/327中粮粮油工业(荆州)有限公司湖北省荆州市公安县青吉工业园吴兴织里金长信副食店浙江一级菜籽油1.8升/瓶2024-01-28/328武汉巧乐惠食品有限公司武汉市黄陂区前川街桃花村、油岗村合盛弘昌电工机械产业园4号厂房栋/单元4层1号吴兴织里金长信副食店浙江绿豆糕散装称重2024-04-23/329中粮东海粮油工业(张家港)有限公司江苏省苏州市张家港市金港镇吴兴织里金长信副食店浙江一级大豆油1.8升/瓶2024-03-18/330//吴兴织里金长信副食店浙江豆干/2024-07-09/331//吴兴织里金长信副食店浙江老豆腐/2024-07-09/332//湖州新慧农产品配送有限公司浙江大红辣椒/2024-07-10/333//吴兴富强蔬菜经营部浙江大西芹/2024-07-10/334//吴兴怀玖蔬菜批发店浙江本芹/2024-07-09/335//吴兴怀玖蔬菜批发店浙江普通白菜(小油菜)/2024-07-09/336//吴兴玖玖蔬菜经营部浙江普通白菜(青菜)/2024-07-10/337//吴兴玖玖蔬菜经营部浙江泡椒/2024-07-10/338//吴兴小李子蔬菜商行浙江大葱/2024-07-07/339//吴兴小李子蔬菜商行浙江菠菜/2024-07-08/340//吴兴张秀利水果店浙江苹果蕉/2024-07-10/341//吴兴富强蔬菜经营部浙江普通白菜(小油菜)/2024-07-09/342//吴兴裕茗茶叶店浙江无核干蜜/2024-07-01/343金华嘉饮食品有限公司浙江省金华市兰溪市上华街道沈村吴兴裕茗茶叶店浙江王老吉凉茶植物饮料310毫升/罐2024-01-15/344//吴兴伍林点心店浙江红豆圈面包/2024-07-10/345//吴兴程夏荣茶叶干货店浙江洋鸡蛋/2024-07-10/346//吴兴裕茗茶叶店浙江花生米(熟)/2024-07-10/347//吴兴裕茗茶叶店浙江话梅味西瓜子/2024-06-20/348//吴兴泮红梅干货店浙江干红片辣椒粉/2024-07-01/349//吴兴泮红梅干货店浙江散装五香榨菜/2024-07-08/350//吴兴泮红梅干货店浙江新峰腐竹/2024-07-05/351//吴兴泮红梅干货店浙江干小米辣/2024-07-04/352//吴兴程夏荣茶叶干货店浙江干白胡椒/2024-07-01/353浙江益海嘉里食品工业有限公司浙江省杭州市临平区崇贤街道拱康路889号吴兴程夏荣茶叶干货店浙江精炼一级大豆油900毫升/瓶2024-04-15/354//吴兴程夏荣茶叶干货店浙江干小茴香/2024-07-01/355扬州市稼禾米业有限公司高邮市汤庄镇汉留三阳路吴兴程夏荣茶叶干货店浙江大米(粳米)5kg/袋2024-03-25/356//吴兴安豪食品店浙江高粱二锅头(白酒)散装,48%vol2024-04-10/357//吴兴安豪食品店浙江稻花香(白酒)散装,48%vol2024-04-10/358//吴兴郝中钢早餐店浙江油条/2024-07-12/359//吴兴精场水果店浙江美指甲南瓜子(熟)/2024-05-07/360杭州念响食品有限公司杭州市萧山区新塘街道新如路588号1幢3楼吴兴精场水果店浙江汤果糕散装称重2024-05-23/361//湖州吴兴红樽舟饭店浙江骨碟/2024-07-12/362//湖州吴兴方荣漾餐饮有限公司浙江鸡蛋/2024-07-12/363冰佰氏(厦门)食品有限公司福建省厦门市翔安区新圩镇新埔路58号吴兴正洋副食店浙江雪莲冰(柠檬口味冰棍)63克/袋2024-05-03/364//吴兴郝中钢早餐店浙江煎炸过程用油(大豆油)/2024-07-12/365绍兴上虞麦乐滋食品有限公司浙江省绍兴市上虞区上浦镇四峰村石浦吴兴精场水果店浙江老蛋糕散装称重2024-05-08/366//吴兴精场水果店浙江甘草桃肉(凉果类)/2024-06-14/367//吴兴精场水果店浙江纸皮核桃(熟)/2024-01-22/368太仓市沙溪镇直塘新苏园食品厂太仓市沙溪镇直塘半泾村二十五组吴兴正洋副食店浙江马蹄酥散装称重2024-05-18/369//湖州吴兴红樽舟饭店浙江红壳鸡蛋/2024-07-12/370杭州加多宝饮料有限公司浙江省杭州市杭州经济技术开发区M10-23-4湖州吴兴红樽舟饭店浙江加多宝凉茶 植物饮料310毫升/罐2023-08-02/371//湖州吴兴方荣漾餐饮有限公司浙江牛蛙/2024-07-12/372//湖州吴兴方荣漾餐饮有限公司浙江骨碟/2024-07-12/373//吴兴唐于饭店浙江红壳鸡蛋/2024-07-07/374//吴兴唐于饭店浙江牛蛙/2024-07-08/375浙江八星保健食品有限公司浙江省台州市台州湾新区三甲街道滨城路88号吴兴鑫月饭店浙江王老吉凉茶植物饮料310毫升/罐2024-01-27/376淄博孙氏食品有限公司山东省淄博市淄川区立交桥西300米路北吴兴昕昕冷冻食品经营部浙江爽支可乐 可乐味冰棍90克/袋2024-05-16/377淄博孙氏食品有限公司山东省淄博市淄川区立交桥西300米路北吴兴昕昕冷冻食品经营部浙江爽支菠萝 菠萝口味冰棍90克/袋2024-05-16/378//吴兴阿彭水果店浙江荔枝/2024-07-11/379//吴兴夏家能豆制品店浙江老豆腐/2024-07-13/380//吴兴许锐冻货店浙江熏肉(腌腊肉)/2024-05-13/381孟州市金紫阳食品有限责任公司孟州市大定办事处上作村吴兴正洋副食店浙江红烧牛肉味油炸方便面散装称重2024-05-27/382诸暨市瑞润食品有限公司浙江省绍兴市诸暨市陶朱街道万旺路32号2栋5楼吴兴正洋副食店浙江宫廷桃酥计量称重2024-05-05/383//吴兴周丽娟生面店浙江碱水面(挂面)/2024-07-08/384湖南点兵食品有限公司湖南省岳阳市平江县高新技术产业园区食品产业园二期1#栋第三楼吴兴董峰副食店浙江空气辣片散装称重2024-06-11/385孟州市金紫阳食品有限责任公司孟州市大定办事处上作村吴兴正洋副食店浙江香葱鸡汁味油炸型方便面散装称重2024-04-23/386//吴兴好实惠水果店浙江脱皮瓜子/2024-07-12/387开封市文军食品有限公司开封市杞县裴村店乡屯庄村西吴兴董峰副食店浙江牛肉味(调味面制品)散装称重2024-07-01/388//吴兴新心食品商行(个体工商户)浙江花生米/2024-06-14/389农夫山泉(建德)新安江饮用水有限公司浙江省杭州市建德市新安江街道梅坪村吴兴鑫月饭店浙江饮用天然水550ml/瓶2023-07-13/390//吴兴高惠锦豆制品店浙江双片白干/2024-07-13/391//吴兴夏家能豆制品店浙江熏豆干/2024-07-13/392//吴兴许锐冻货店浙江咸肉/2024-07-12/393//吴兴高惠锦豆制品店浙江老豆腐/2024-07-13/394黄山市万安食品有限公司安徽省黄山市休宁县城横江路(东山开发区)吴兴沈云飞休闲食品店浙江黑豆香干(鸡汁味)散装称重2024-05-20/395//吴兴好实惠水果店浙江荔枝/2024-07-14/396//吴兴鲜鲜水果店浙江小台芒/2024-07-13/397//吴兴董峰副食店浙江油炸花生/2024-07-07/398//吴兴霞霞豆制品店浙江香干/2024-07-14/399农夫山泉(建德)新安江饮用水有限公司浙江省杭州市建德市新安江街道梅坪村吴兴鲜鲜水果店浙江饮用天然水550ml/瓶2024-02-05/400//吴兴董峰副食店浙江回香甘草榄/2024-07-07/401贵州惠涟饮料有限公司贵州省黔南布依族苗族自治州惠水县濛江街道长田社区桥洞村吴兴好实惠水果店浙江加多宝凉茶 植物饮料310毫升/罐2024-01-24/402//吴兴段先成干货店浙江榨菜头/2024-07-14/403嘉兴市新世纪旅游食品有限公司浙江省嘉兴市南湖区余新镇工业小区(余新成校北侧)吴兴沈云飞休闲食品店浙江香辣味蛋白素肉(大豆蛋白制品)称重2024-06-02/404湖南洞庭明珠食品有限公司湖南省岳阳市华容县华容工业集中区行政服务中心(三封工业园)芥菜产业园B区吴兴沈云飞休闲食品店浙江香辣豆角散装称重2024-05-01/405//吴兴孙姐鲜肉铺浙江小本鸡肉/2024-07-08/406//吴兴孙姐鲜肉铺浙江公鸡肉/2024-07-08/407义乌市港荣食品有限公司浙江省义乌市佛堂镇义南工业园区云书路9号湖州康山街道闽龙食品批发部浙江多晶冰糖散装称重,一级2024-02-27异议认可相关问答
钢铁和钢材的区别?
钢和铁之间的区别在于碳含量不同。铁可以通过精炼转化为钢。1,钢是铁合金的总称,碳质量百分比在0.02%和2.04%之间。钢的化学成分可以有很大差异。仅含碳...



