电工入门:10种电路元件的作用和原理,老电工一一讲解,涨知识!
最近很多刚入门学习电工技术的师傅总是留言问:怎么样入门学习电工,到底从哪里入手?重点都需要学习哪些东西?等等诸如此类的问题,其实电工老师傅都知道,最基础的知识和技能往往都是最重要的,如果你去问电工老师傅,那么一般的师傅都会告诉你:首先从认识电气元器件入手?为什么呢?因为电路是由电气元器件构成的,不同的电气元件使用方法不同,但是组合在一起就能发挥作用,可以达到轻松控制的目的,一点不夸张的说,技术好的电工师傅对于电气元件的认识是十分深刻的,只有深入了解学习了,才能在实际的电路应用中得心应手,今天我们就重点来看看:电路中常用的10大元器件,重点来看看元件的作用和动作原理:
新手电工如何快速学会看懂电气原理图,四步骤走教你快速入门
电气原理图,是电工电子行业每天都要接触的图形,看图犹如读文章一样,要知道词语的意思才能读懂这篇文章的内容,而电气原理图中的“词语”就是元器件的图形符号,所以学习图形符号是关键。
认识基础元器件
先要认识基础元器件,如交流接触器,熔断器,空气开关,时间继电器等,因为各个继电器的种类还比较多,在认识的同时还要能够分清楚是哪一类,是断电延时型时间继电器,还是通电延时型。
每个继电器还会附带触点,比如说交流接触器的常开触点,常闭触点,辅助触点,主触点,这些都要分清楚,而且能够一眼识别出图形所表示的含义,以及每个接触器在电路中起到了作用。
交流接触器
学习元器件工作原理
认识元器件只浮于表面,真正的要从元器件的工作原理开始学起,比如交流接触器是如何实现动合触点断开动断触点闭合的,给与什么条件才能实现正反转,时间继电器那两个触点有延时闭合的作用。
当然这些不能只存于理论,重要的是实践,讲100遍延时断开功能,不如亲自动手接一遍线,当真正从实验中观察到理论知识成立的时候,那才是印象最深的时候,如果真能搞懂大部分元器件的原理,那么绘制电气图也就不是问题了。
交流接触器原理
学习图形符号
图形符号是电气原理图的核心,电气原理图就是各种图形符号经过串联并联组成的,学习图形符号的方法就是和元器件原理一起学习,这样才能够做到一一对应,学习交流接触器的时候能够分出线圈、触点的符号,并且能够认清文字符号。
一般电气原理图中文字符号和图形符号是配合使用的,由于有的原理图中同种元器件会使用多个,在标注的时候还要加上数字做好区分,比如说:KM1-KM2,KT1-KT2等,只有认清楚图形符号文字符号,才能对应元器件知道在电路中的作用。
中间继电器
拆解电路图
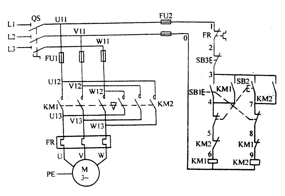
拿到一张电路图我们要学会拆开看,比如说一张三相电机正反转的电气原理图,看起来很是复杂,那就是没有找对看电路图的方法,从中间部分拆解,该电路可以分为主电路和控制回路,先从主电路看,主电路中有两个交流接触器的主触点KM、三个熔断器FU、一个空气开关QS、一个热继电器主触点FR,通过换相来切换点击的旋转状态。
再看控制回路,控制回路中有两个交流接触器线圈KM、一个热继电器触点FR、三个按钮开关SB,再把控制回路细分,就能分出正转控制电路和反转控制电路,正转控制电路启动按钮SB1,KM1为正转自锁,反转控制电路启动按钮SB2,KM2为反转自锁。
三相电机正反转
在这个电路中有三个要点,一个是两个交流接触器的自锁,第二个交流接触器之间的互锁,第三个按钮之间的互锁,搞懂了这三个点,这一张正反转的原理图也就差不多全明白了。
以上就是尽快学会查看电气原理图的方法,如果想要绘制还需要进行连接线的相关学习,电工电子行业是个不断学习的行业,而且连线标准以及绘图标准也在不断更新,随时都需要关注行业信息。
相关问答
井下电气作业与电工的区别?
证书不一样电气工程师属于工程技术人员序列技术职称证书。电工技师属于工程技术工人序列等级证书。2.职称等级不一样电气工程师属于工程技术人员序列的中...
电工基础要学什么?
电工基础是一门涉及电学基本原理和应用的学科,对于学习电工技术和电气工程非常重要。以下是一些电工基础需要学习的内容:1.电学基本概念:包括电荷、电场、电...
万能电气基础知识?
1、通用部分1,什么叫电路?电流所经过的路径叫电路。电路的组成一般由电源,负载和连接部分(导线,开关,熔断器)等组成。2,什么叫电源?电源是一种将非...变...
电工岗位五清楚?
电工岗位职责(1)遵守各项规章制度,执行本岗位的安全操作规程,对本岗位的安全生产负责。(2)现场操作必须按规定着装,戴好安全帽。(3)操作前,工作负...电工...
一般电工,电工技师,电气工程师有什么区别-懂得
一、简单的说。“电气工程师”是指从事电气系统设计的技术人员,是一种职业称呼,也是一种职业技术等级。如果是操作工那就称为“电工”。电工新人:首...
什么是电路短接?
短接和短路完全是两个意思。短接可以理解成跳过某一种保护装置,直接把电路连起来的意思,这样电器就没有保护作用了。举几个例子下图是一把闸刀,闸刀是最早...
电工如何晋级为电气工程师?
感谢邀请!我从下面几个方面给你回答一下:一、电气工程师报考条件1、在校学生报考条件:在校生只能从NCEE一级开始考,并且达到NCEE一级水平3年以上可申请参加...
特变电工和许继电气谁是龙头?
特变电工和许继电气都是中国电力设备行业的知名企业,但在市值和规模上,特变电工是目前中国最大的变压器制造企业,也是全球最大的变压器制造商之一,被认为是中...
电气kw,kv各代表做什么?
kw是功率的单位,代表功率。kv是电压的单位,代表电压1kV=1kW/1kA分析过程如下:因为在电学中,电功率=导体两端电压x通过导体电流;即:P=UI;所以在电学...k...
井下电气验电的步骤及注意事项?
井下电气验电的步骤:1.安全检查:在检查前必须首先进行安全检查,确保工作场所的安全。检查井下瓦斯浓度、氧气含量,确认没有可燃物或易燃物质。2.装备检查...


